
A820/A840标准品、IP55防护等级品-FM类型-FR-A820,FR-A840标准品、IP55防护等级品-CA类型-FR-A820,FR-A840端子规格说明F820/F840标准构造产品-F......
A820/A840
标准品、IP55防护等级品-FM类型-FR-A820,FR-A840

标准品、IP55防护等级品-CA类型-FR-A820,FR-A840

端子规格说明

F820/F840
标准构造产品-FM类型-FR-F820,FR-F840

标准构造产品-CA类型-FR-F820,FR-F840

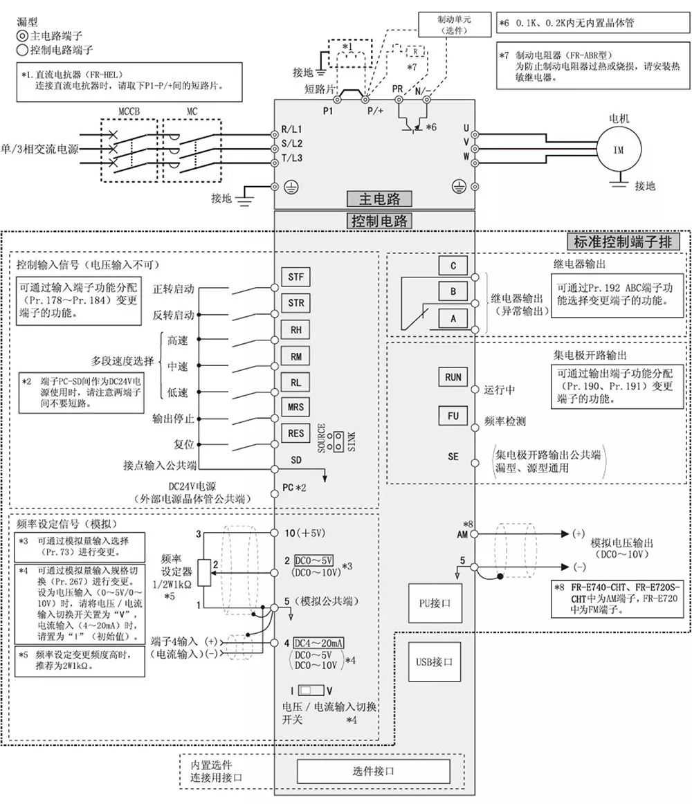
E720S/E720/E740

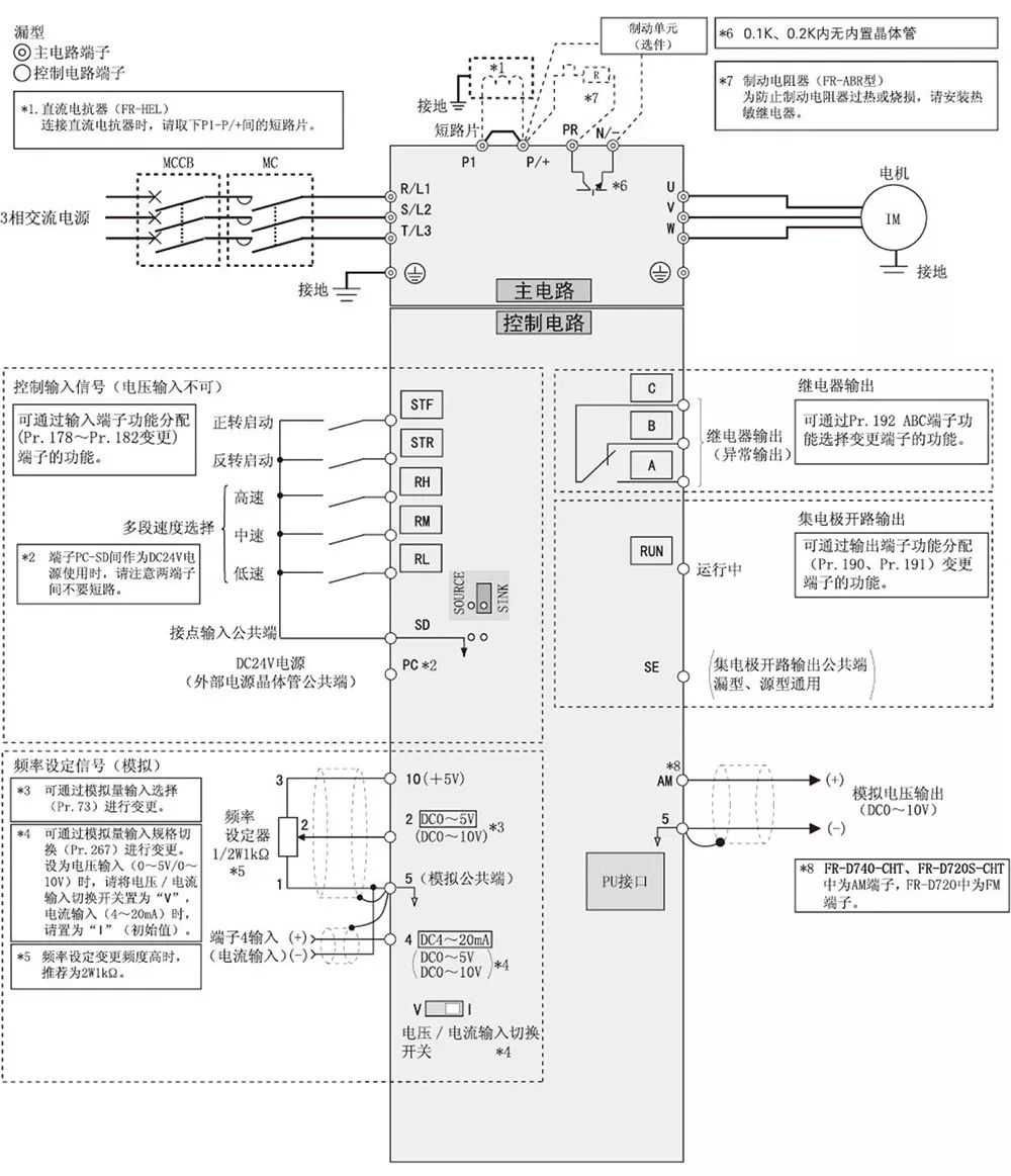
D720S/D720/D740
FR-D720S,FR-D720,FR-D740

FR-D720S,FR-D720,FR-D740端子规格说明

*1变更端子4的输入规格时,应正确设定和电压/电流输入切换开关,输入与设定匹配的模拟信号。电压/电流输入切换开关选择“I”(电流输入规格)后进行电压输入,或者开关选择“V”(电压输入规格)后进行电流输入,将会导致变频器或外部设备的模拟回路发生故障。
*2变频器的输出端子(U、V、W)如果连接电源,将损坏变频器。切勿进行此类接线。
*3FR-D740-CHT、FR-D720S-CHT中为AM端子,FR-D720中为FM端子。
CS80系列
*1通过输入端子分配(Pr.178~Pr.182)可变更为复位信号等其他端子功能。
*2PC-SD用作24V电源时,需要注意不能使两端子间短路。
*3可通过模拟输入规格切换(Pr.73、Pr.267)进行变更。若要将端子4设为电压输入时,应将电压/电流输入切換开关置于“V”,若要设为电流输入(4一20mA)时则置为“I”(初始设定)。
*4需要频繁变更频率设定时,建议使用2W1kΩ。
*5通过输出端子分配(Pr.195)可变更端子功能。