
MR-JE-A系列三菱伺服驱动器型号及外部连接三菱伺服电机MR-JE系列基本性能:1、三菱伺服MR-JE系列的控制模式分为位置控制、速度控制和转矩控制三种。在位置控制模式下最高可以支持4Mpps的高速......
MR-JE-A系列三菱伺服驱动器型号及外部连接
三菱伺服电机MR-JE系列基本性能:
1、三菱伺服MR-JE系列的控制模式分为位置控制、速度控制和转矩控制三种。在位置控制模式下最高可以支持4Mpps的高速脉冲列。还可以选择位置/速度切换控制,速度/转矩切换控制和转矩/位置切换控制。同时还支持单键调整及即时自动调整功能,可以根据机器来对三菱伺服增益进行简单的自动调整。
2、三菱伺服MR-JE系列能够通过驱动记录器功能、ToughDrive功能和预防性保护支持功能,为机器的维护与检查提供强力的支持。
3、三菱伺服MR-JE系列主体装备了USB通信接口,在安装了三菱伺服设置软件MRConfigurator2的个人电脑上,能够对数据进行设定和试运行以及增益调整等。
4、三菱伺服MR-JE系列系列的三菱伺服电机采用的编码器的分辨率可达131072pulses/rev,为增量式三菱伺服编码器,在进行定位时精度是非常高的。
5、可完全替代三菱伺服MR-E系类。
6、其由三菱伺服驱动器MR-JE-A、MR-JE-B、MR-JE-C系列与三菱伺服电机HF/HG系列组成。以上便是对三菱伺服MR-JE系列的性能方面的一个基本的介绍,希望能给诸位朋友在选购三菱伺服产品时有所帮助!
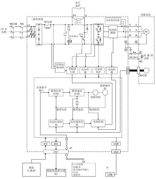
一、MR-JE-A功能结构图.MR-JE-10A、MR-JE-20A、MR-JE-40A、MR-JE-70A、MR-JE-100A

MR-JE-A功能结构图
[备注]1、MR-JE-10A以及MR-JE-20A中没有内置再生电阻器。2、使用单相AC200V~240V电源时,请将电源连接到L1及L3上,L2不接线。

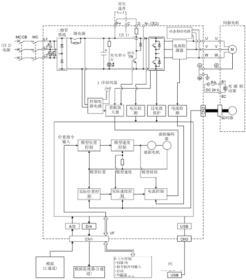
MR-JE-A功能结构图2
[备注]1、关于电源的规格,请参照MR-JE-A图3。2、生产商调整用。请勿连接任何接线。

MR-JE-A图3
二、MR-JE-A伺服放大器的标准规格
[备注]1、0.3A为使用所有输入输出信号时的值。通过减少输入输出点数能够降低电流容量。
2、在进行紧凑安装时,请在环境温度0℃~45℃或实际负载率75%以下的条件使用。3、在初始设置下支持1Mpps以下的指令。在输入1Mpps~4Mpps的指令时,在[]上设定变更。
三、伺服放大器和伺服电机的组合
MR-JE-10A:HG-KN13_MR-JE-20A:HG-KN23_MR-JE-40A:HG-KN43_MR-JE-70A:HG-KN73_、HG-SN52_MR-JE-100A:HG-SN102_MR-JE-200A:HG-SN152_、HG-SN202_MR-JE-300A:HG-SN302_
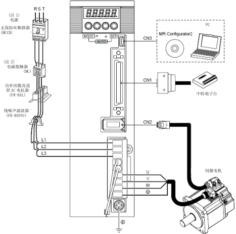
四、MR-JE-A配套设备的构成
请勿将错误轴的伺服电机连接到伺服放大器的U,V,W以及CN2上,这样有可能会导致出现故障。.MR-JE-10A、MR-JE-20A、MR-JE-40A、MR-JE-70A、MR-JE-100A

MR-JE-A配套设备的构成
[备注]1、MR-JE-70A以下的型号支持单相AC200V~240V。使用单相AC200V~240V电源时,电源请连接L1以及L3,不要连接L2。关于电源规格请参考1.3节。2、根据电源电压以及运行模式的不同,有可能出现母线电压过低,从而在强制停止减速中转入到动态制动减速的情况。若不希望动力制动减速时,请延迟电磁接触器的关闭时间。

三菱伺服电机
1、关于电源的规格,请参照图MR-JE-A图3。
2、根据电源电压以及运行模式的不同,有可能出现母线电压过低,从而在强制停止减速中转入到动态制动减速的情况。若不希望动力制动减速时,请延迟电磁接触器的关闭时间。