
辅助继电器M相对于继电控制系统中的中间继电器,和X,Y不同的是它既不接受外部输入的开关量信号,也不能直接驱动外部负载,只能在程序中驱动,是一种内部的状态标志。辅助继电器M以十进制编制,按其用途可分为通......
辅助继电器M相对于继电控制系统中的中间继电器,和X,Y不同的是它既不接受外部输入的开关量信号,也不能直接驱动外部负载,只能在程序中驱动,是一种内部的状态标志。辅助继电器M以十进制编制,按其用途可分为通用辅助继电器,断电锁存辅助继电器和特殊辅助继电器三大类,现分别介绍如下:
1、通用辅助继电器M0~M499共500点。
通用辅助继电器的作用类似于中间继电器,其主要用途为逻辑运算的中间结果存储或信号类型的变换。PLC上电时处于复位状态,上电后由程序驱动,它没有断电保持功能,在系统失电时,自动复位。若电源再次接通,除了因外部输入开关信号变化而引起M的变化外,其余的皆保持Off状态。
2、停电保持锁存辅助继电器M500~M3071共2572点。
这类继电器也是通用辅助继电器,但它有记忆功能,在系统断电时,它能保持
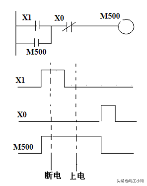
断电前的状态,而当系统重新上电后,即可重现断电前的状态,并在该基础上继续工作。但要注意,系统重新上电后,仅在第一个扫描周期内保持断电前状态。然后M将失电,如下图所示。

因此,在实际应用时,还必须加M自锁环节,才能真正实现断电保持功能。

停电保持锁存辅助继电器也有两种,其中M1024~M3071为固定停电保持区域,不可更改,M500~M1023为出厂设定停电保持区域,可以重新进行设置为非停电保持。同样,M0~M499出厂时设定为非停电保持,但可以重新设定为停电保持继电器。
3、特殊辅助继电器M8000~M8255共156点,特殊辅助继电器是PLC用来表示PLC的某些状态,提供时钟脉冲和标志位,设定PLC的运行方式或者用于步进顺控,禁止中断,计数器的加减设定等。它也分为两类。
①触点利用型特殊辅助继电器
由PLC自行驱动其线圈,用户只能利用其触点,因而在用户程序中不能出现其线圈,但可利用其常开或常闭触点作为驱动条件。
常用的触点利用型特殊继电器见下表:


②线圈驱动型特殊辅助继电器
这类特殊继电器有用户在程序中驱动其线圈,使PLC执行特定的操作。用户不能在程序中使用它们的触点。例如:
M8030:锂电池欠压指示灯(BATTLED)熄灭。
M8033:PLC停电时输出保持
M8034:程序正常运行禁止所有输出。
状态继电器S是专门用于编制步进顺序控制程序的一种表示步进状态的编程软元件。它与步进顺控指令STL配合使用。当状态继电器不用于步进顺控指令时,状态继电器可作为一般继电器(M)使用。我们在后续课程中将详细介绍状态继电器S及步进顺控程序设计。这里就不在进一步叙述。(本文为电工小琦原创,未经授权不得转载,违者必究!)