
PLC系统构成PLC系统构成图1、系统构成规则系统构成需要满足以下3点:a、输入输出点数必须在基本单元能够扩展的点数以内b、特殊扩展设备必须在基本单元允许的台数以内c、DC24V以及DC5V电源消耗电......
PLC系统构成

PLC系统构成图
1、系统构成规则系统构成需要满足以下3点:
a、输入输出点数必须在基本单元能够扩展的点数以内
b、特殊扩展设备必须在基本单元允许的台数以内
c、DC24V以及DC5V电源消耗电流必须在系统能够提供的范围以内
a、关于输入输出点数

b、关于特殊扩展设备的台数功能扩展板、特殊适配器、特殊功能单元/模块的允许连接台数,分别如下所示。

注:*1.使用FX3U-CNV-BD以外的扩展功能板时最多9台
特殊功能模块占用点数

c、关于消耗电流的计算
在扩展设备时,扩展设备需要消耗系统的DC24V和DC5V电源,若系统不能提供扩展设备所需的电源,扩展设备将不能正常工作。因此,需要计算系统消耗的电流。
示例:仅扩展输入输出时基本单元消耗的DC24V情况。
下面的简表中,要扩展的输入点数(横轴)和输出点数(纵轴)的交叉值表示剩余的电源容量。
选择要连接到基本单元上的输入输出扩展模块(点数),确认是否是可以扩展的输入输出点数。

注:在FX3U-16/32M()上连接输入16点、输出16点的扩展模块时,DC24V提供电源的电流变为150mA以下。
2、输入输出编号(X,Y),特殊功能模块No.的分配a、输入输出分配原则:八进制独立分配
从基本单元开始,X、Y各自独立按8进制以8点为单位连续分配,如果基本单元或扩展单元(模块)的X、Y不为8的倍数,则下一个单元(模块)从下一个8的倍数开始分配(即可能存在空号);扩展单元(模块)的X、Y编号,各自独立顺接基本单元的编号连续分配

注:FXPLC基本单元(CPU)上电时,会自动就输入输出编号(X,Y)进行(8进制数)分配。因此,无需通过参数制定输入输出编号。
b、特殊功能单元/模块的单元No
1)在基本单元上的特殊功能单元/模块
在特殊功能单元/模块中,从最靠近基本单元的开始,依次分配,…。
2)FX2N-1RM(-E)-SET的场合
FX2N-1RM(-E)-SET在1个系统最末端最多可以连续连接3台。(旋转角检测单元)
已连接的所有FX2N-1RM(-E)-SET单元No.,都与第一台(FX2N-1RM(-E)-SET)
的单元No.相同
3)不分配单元No.的产品
•输入输出扩展单元:FX2N-32ER,FX2N-48ET-ESS/UL等
•输入输出扩展模块:FX2N-16EX,FX2N-16EYR等
•特殊功能模块:FX2N-16LNK-M(IO主站)
•连接器转换适配器:FX2N-CNV-BD
•功能扩展板:FX3U-232-BD等
•特殊适配器:FX3U-232ADP等
c、单元No.的作用
访问特殊功能模块:Un\Gn;
Un指定单元号,例如单元号为0,则编写U0,用于指定对哪一块特殊功能模块进行读写,即模块的安装位置;
Gn指定缓冲存储器的编号。
例如:MOVK2U0\G0
定义CC-Link连接站数,2个站
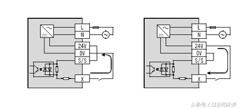
d、关于输入输出的接线
DC24V输入型:漏型/源型输入
FX3U基本单元是漏型输入和源型输入的通用型产品,输入(X)的DC24V由基本单元内部供电。
1.回路上的差异
1)漏型输入【-公共端】
当DC输入信号是从输入(X)端子流出电流然后输入时,称为漏型输入。当连接晶体管输出型的传感器输出等时,可以使用NPN开集电极型晶体管输出。
2)源型输入【+公共端】
当DC输入信号是电流流向到输入(X)端子的输入时,称为源型输入。连接晶体管输出型的传感器输出等时,可以使用PNP开集电极型晶体管输出。
2.漏型/源型输入的切换方法
通过将【S/S】端子与【0V】端子或是【24V】端子中的一个连接,来进行漏型/源型输入的切换。

3.漏型·源型输出(晶体管)
1)漏型输出[-公共端]:负载电流流到输出(Y)端子,称为漏型输出。

2)源型输出[+公共端]:负载电流从输出(Y)端子流出,称为源型输出。

4.继电器输出的使用
1)输出端子:可以以各公共端为单位,驱动不同的回路电压系统(例如AC200V,AC100V,DC24V等)的负载。
2)响应时间:输出继电器从线圈通电到输出触点合上为止,或是从线圈断开到输出触点断开为止的响应时间均约为10ms。
