
1预充回路原理1.1预充电电阻作用变频器的直流母线电容器在设备上电前两端电压为零,在设备上电的瞬间相当于短路,会产生很大的充电电流,变频器整流桥的功率器件很容易造成损坏。因此需要在预充电过程中在充电回......
1预充回路原理
1.1预充电电阻作用
变频器的直流母线电容器在设备上电前两端电压为零,在设备上电的瞬间相当于短路,会产生很大的充电电流,变频器整流桥的功率器件很容易造成损坏。因此需要在预充电过程中在充电回路串联预充电电阻,对预充电电流的大小进行限制。
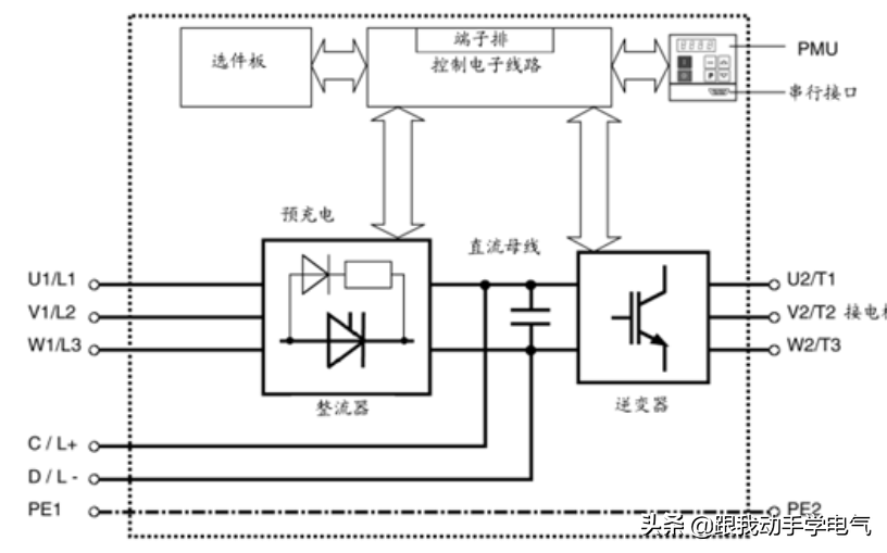
1.2MASTERDRIVES书本型预充电回路
书本型MASTERDRIVES共有A、B、C、D四个尺寸机型,使用二极管整流,上电后系统通过预充电电阻对电容组进行充电。当母线电压达到额定值的80%时,预充电继电器吸合,预充电电阻被旁路,预充电完成,最大预充电时间为3秒(超时会报故障F002)。

1.3MASTERDRIVES装机装柜型预充电回路
装机装柜型MASTERDRIVES为E尺寸以上机型,使用晶闸管整流,有单独的预充电回路,预充电使用二极管整流桥,为限制充电电流整流桥串接2个预充电电阻。上电后,主回路晶闸管处于截止状态,只有预充电回路投入运行。当系统接受到”ON”命令时,晶闸管才触发导通,此时由于预充电回路的存在电阻,正常运行时相电流全部流经晶闸管,预充电回路相当于被旁路,预充电完成,最大预充电时间为3秒(超时会报故障F002)。

2预充电电阻损坏原因分析
预充电电阻仅允许短时间流过小电流,持续进行预充电过程,或者在运行状态下预充电回路通过额定负载电流,都会造成预充电电阻发热量过大而烧毁,因此电阻损毁的可能有:
1.待机状态时进线电网电压波动大,造成母线电压波动,导致预充电过程持续进行,预充电电阻上不断有电流流过,长时间发热造成损坏;
2.设备频繁上电、断电,或在已经报欠电压情况下,频繁多次复位启动,预充电电阻持续工作,长时间发热造成损坏;
3.多台AC/AC设备共用一台制动单元,造成共母线。当任意一台先上电时,相当于一组充电电阻对多个电容组充电,会造成预充电电流过大;
4.预充电电阻通过负载电流:书本型设备,预充电继电器损坏,线圈通电后没有闭合,预充电电阻在设备运行时仍然工作;或装机装柜型设备,运行状态下可控硅发生触发故障,负载电流流过预充电回路。
另外,如果直流母线上并联的器件如果发生故障(比如制动单元故障误动作、或制动单元器件内部发生短路),导致母线正负短接,形成闭合回路(2个预充电电阻+1个制动电阻),就会烧毁预充电电阻。
3预充电电阻损坏解决方法
预充电电阻损坏会造成设备无法启动,需要进行设备检查及硬件更换。非专业维修人员无法对硬件电路进行全面检测,可能在还存在其他硬件故障下启动设备造成设备的二次损坏。因此建议拨打西门子热线转2,申请维修服务。
电气相关知识和经验是用来分享,希望本文能对你有帮助。与人玫瑰,手留余香。