
题记:做电气相关的小伙伴们应该都知道即便做一个很小的电气柜,图纸设计中都要计算一下电流负荷的,以便确定一些电气元件的选型,那这个负荷计算的过程是怎样的呢?今天手上正好有个很小的PLC项目,就来分析一下......
题记:
做电气相关的小伙伴们应该都知道即便做一个很小的电气柜,图纸设计中都要计算一下电流负荷的,以便确定一些电气元件的选型,那这个负荷计算的过程是怎样的呢?今天手上正好有个很小的PLC项目,就来分析一下,分享给朋友们。
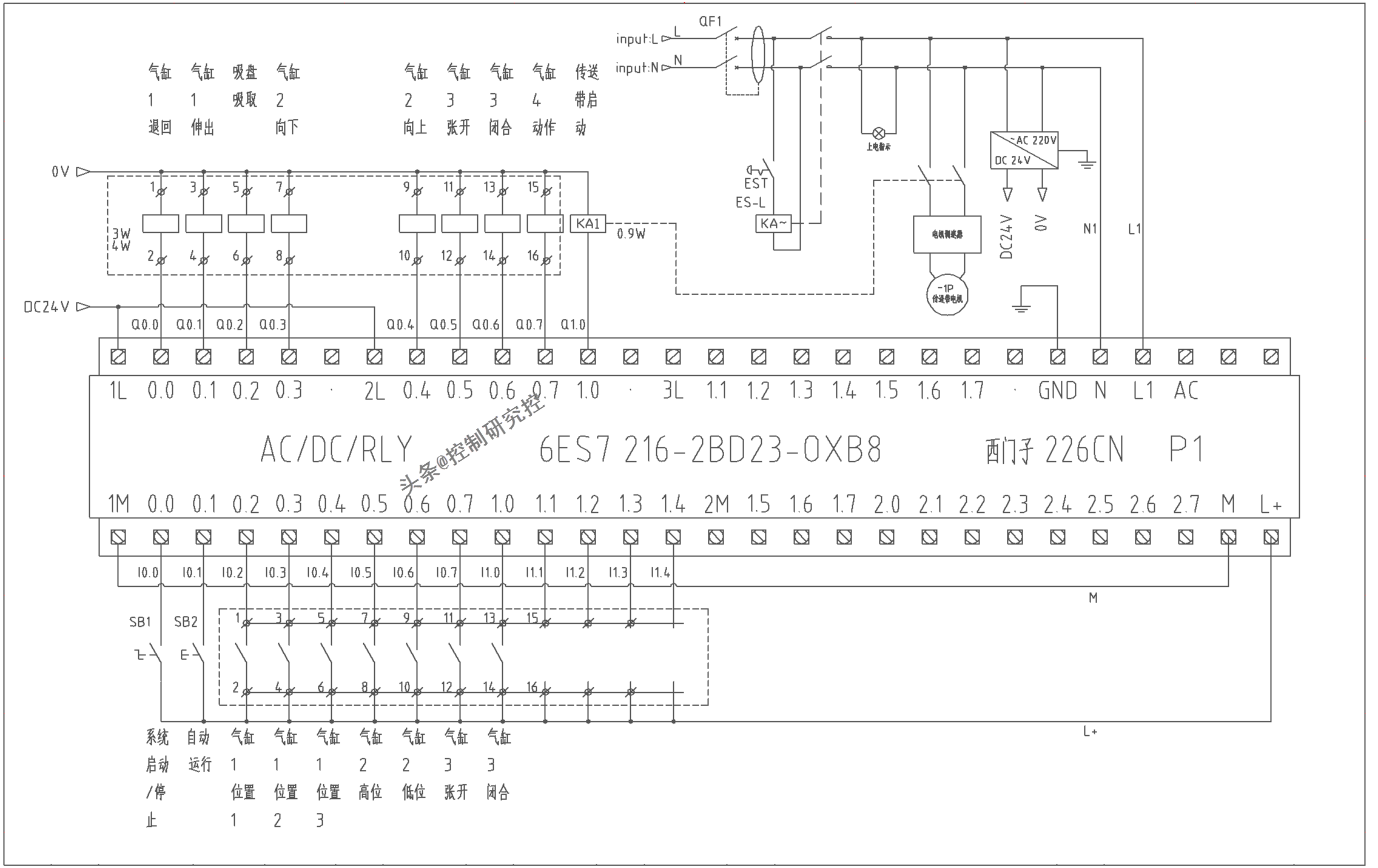
正文:我手上这个项目是一个很小的西门子226的PLC,该型号是CPU本体上已经集成了I/O点的,因此没有附加其他的模块,让大家看一下电路图吧:

PLC电路图
1,先来研究一下PLC模块自身的用电信息:
该PLC模块的型号是6ES7216-2BD23-OXB8,其本身自带24点DI输入和16点DO输出,输入和输出都是继电器类型的。该模块的供电电源是220VAC,同时该模块还提供了一个DC24V的对外供电输出电源,就是电路图上右下角的L+和M,即为输出的24V的正与负!
西门子的手册提供了该PLC模块的一些参数,请看下边的图:

226CPU模块的相关参数
通过这个图片可以得到如下的信息:
CPU226须要220V电的功耗是17W。
该模块向外输出的DC24V电流最大是400mA,如果换算成功率则是24V×0.4A=9.6W。
2,输入和输出都须要DC24V供电,PLC自带的24V电源够用么?
西门子200PLC的一路输入点接通须要消耗4mA的电流,一路输出点接通须要消耗9mA的电流。--这也是西门子的资料上查得的。
所以就PLC模块自身来说24DI/16DO就是24×4+16×9=240mA(24V×0.24A=5.76W)是足够了,但是这是PLC没有带外部负载的情况下,如电路图上所见,我有8个气缸的电磁阀线圈须要驱动,还有一个中间继电器须要驱动。
先来说一下电磁阀,因气缸准备使用亚德客的气缸,因此电磁阀和磁性开关的电气参数资料也都使用亚德客官网的信息。

亚德客电磁阀
如图可以看到它是一个两端都有电磁线圈的多位阀门,一个线圈的DC功耗是3W。而根据电路图,我有8个阀门线圈,即须要3W×8=24W的24V电源供电能力。上边说了西门子模块自带的24V电源的供电能力是9.6W,远远小于我需要的24W功率需要求,因此需要外加电源模块。
3,那么该加多少功率的24V电源模块呢?
西门子自带的9.6W的24V电源给电磁阀供电是不够的,但是如果仅仅给DI输入点供电够么?DO输出处的供电使用另外的24V电源可以么?--答案已经在我的图纸上显示了,DI就使用西门子自带的24V电源,DO使用了AC220V变DC24V的独立电源模块。
先算一下DI这里的数据:

亚德客磁性开关
这是亚德客官网的一个磁性开关,经查其工作电流是3mA,正好小于PLCDI点一路接通的电流4mA,因此这里应该可以按照4mA来计算,即使按照7mA计算一个输入,24路输入全部用上,也是24×7=168mA,小于西门子模块的400mA,因此DI部分使用西门子PLC的自带DC24V电源是没有问题的!
再来算一下DO处的数据:
DO处驱动8个电磁阀线圈,还需驱动一个欧姆龙品牌的MY2NJ的中间继电器,去控制传送带的启动停止。经查该中间继电器的直流功耗是0.9W,也就是说即使除去8个电磁阀,16DO,剩余的8个DO点全部都接一个中间继电器,即8×0.9=7.2W,也就是说CPU226模块驱动8个中间继电器须要7.2W的功耗。上边说一个电磁阀线圈需3W,则8个电磁阀线圈就是24W,因此此处最大须要的功耗是7.2+24=31.2W,因此须要购买一个大于31.2W的24V电源模块即可。
因此我购买了一个60w的DC24V电源模块,其图片信息如下:

独立24V电源模块
从这个图片上可以看出它输出DC24V时候的电流是2.5A,即功率是24V×2.5A=60W,足够我的DO使用了。同时还可以看到,该电源模块的输入220V的电流是1.8A。
至此,DC24V电源的计算和安排已经满足使用要求了。
4,再来计算一下AC220V用电的功耗
从电路图可以看到,我220V电路下只挂了一个中间继电器用做急停时候切断,一个指示灯,一个输送带电机,一个220/24的电源,一个PLC模块。
AC220V的(MY2NJ)中间继电器线圈功耗是1.1W。施耐德通用直径22mm的220V指示灯功耗是4.5W。输送带电机调速器的功耗是6W。24V电源模块的上图上输入电流是1.8A,因此功耗是220×1.8=396W。西门子226PLC的功耗是17W。
所以AC220V功耗的计算是:1.1+4.5+6+396+17=424.6W。
因此,如果甲方给我讲值提供一个AC220V500W的电源分配给我,那么对我来说也够用了。
至此,文章结束了,希望能对有些朋友有所帮助,感谢阅读!