
输出端口在FX2N的下部,FX2N-48MR的输出端口如下图所示输出端口的编址方法和规定和输入端口一样,按照八进制编址,从Y0-Y267,8个一组,且按顺序往下编,不能跳跃。仔细看一下输出端口安排,就......
输出端口在FX2N的下部,FX2N-48MR的输出端口如下图所示

输出端口的编址方法和规定和输入端口一样,按照八进制编址,从Y0-Y267,8个一组,且按顺序往下编,不能跳跃。
仔细看一下输出端口安排,就会发现和输入端口X不同的是,这里有5个COM端口,从COM1到COM5。而输入端只有一个COM。为什么输出端口如此编排呢?主要是输出端口仅相当一个开关,当外接输出负载时,(如接触器,继电器线圈,各种电磁阀线圈,指示灯。喇叭等)所驱动的输出负载的电源也是外接的。而各种负载的电源的性质是不相同的,为了适应不同负载电源,所以FX2N把输出端口分成几组来应用,每一组端口的负载电源是相同的。不同组的端口可以接不同的电源。这样在同一个PLC上,可以根据需要接不同的电源,其分组时这样的Y0Y1Y2Y3和COM1是一组,Y4Y5Y6Y7和COM2是一组,类似的Y10Y11Y12Y13和COM3是一组,Y14Y15Y16Y17和COM4是一组。而Y20-Y27则和COM5是一组。各个COM端口是互相独立不相连的。如果有两组使用同一种电源,则其COM端应相连。
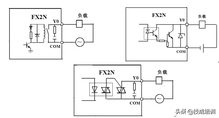
为适应不同负载的需要,一般PLC的输出都有三种输出方式:继电器输出,晶体管输出和双向晶闸管输出。继电器输出最常用,适用于各种交直流负载,其特点是带负载能力强,但响应速度慢。晶体管输出仅适用于直流负载,带负载能力小,但其响应速度比继电器输出快。双向晶闸管输出适用于要求响应速度较高的交流负载,带负载能力也不大。FX2N的三种输出电路结构如下图所示。

三种输出方式的比较如下表所示。

三种输出形式的技术规格
在实际应用时,有二点要注意,一是输出端子的触点电流不能超出其额定值。二是对动作频繁的输出负载来说,尽管其响应速度不高,但因动作频繁,对继电器输出的触点磨损较大,所以最好选晶体管输出。
在选用晶体管输出型时,FX2N规定了外接直流电源负极接COM,相应负载的一端接输出端,不可以接错。
下图为多个输出时的连接图,通过输出点,将各种负载和电源连接成一个回路,这样负载是否通过电流得到驱动,就由输出点的ON/OFF来控制。

(技成培训原创,未经授权不得转载,违者必究!)
往期优秀文章回顾:
经常使用PLC,居然不知道PLC是如何工作的?