
今天和大家分享一些三菱的程序,主要包括电气正转控制、正反转控制、定时控制、多地控制、定时器与计数器组合延长定时控制、多重输出控制和载报警控制通过PLC实现时的PLC线路和梯形图,这是PLC初学者入门实......
今天和大家分享一些三菱的程序,主要包括电气正转控制、正反转控制、定时控制、多地控制、定时器与计数器组合延长定时控制、多重输出控制和载报警控制通过PLC实现时的PLC线路和梯形图,这是PLC初学者入门实战的需要掌握的最基本知识。
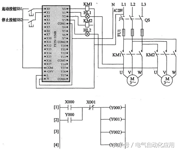
1、起动、自锁和停止控制的PLC线路与梯形图
起动、自锁和停止控制是PLC最基本的控制功能。起动、自锁和停止控制可采用驱动指令(OUT),也可以采用置位指令(SET、RST)来实现。
◆采用线圈驱动指令实现起动、自锁和停止控制的PLC线路与梯形图

图1采用线圈驱动指令实现起动、自锁和停止控制的PLC线路与梯形图
采用置位复位指令实现起动、自锁和停止控制的梯形图

图2采用位置复位指令实现起动、自锁和停止控制的PLC线路与梯形图
其PLC接线图与上图所示线路是一样的。
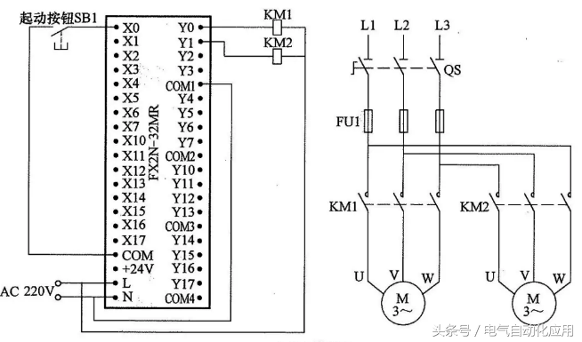
2、正、反转联锁控制的PLC线路与梯形图

图3正、反转联锁控制的PLC线路与梯形图
3、多地控制的PLC线路与梯形图

图4多地控制的PLC线路与梯形图
单人多地控制如图a、b所示,多人多地控制如图a、c所示。
4、定时控制的PLC线路与梯形图
延时起动定时运行控制的PLC线路与梯形图

图5延时起动定时运行控制的PLC线路与梯形图
◆多定时器组合控制的PLC线路与梯形图


图6一种典型的多定时器组合控制的PLC线路与梯形图
5、定时器与计数器组合延长定时控制的PLC线路与梯形图
三菱FX系列PLC的最大定时时间为3276.7s(约54min),采用定时器和计数器可以延长定时时间。

图7定时器与计时器组合延长定时控制的PLC线路与梯形图
6、多重输出控制的PLC线路与梯形图

图8多重输出控制的PLC线路与梯形图
7、过载报警控制的PLC线路与梯形图


图9过载报警控制的PLC线路与梯形图