
大家好,今后我每天更新一点关PLC的相关知识,以后以一天为指令讲解一天为实例分享,希望和大家一起成长,如果篇幅中有什么错误,希望大家能及时指正。MC为设置主控指令;MCR为复位主控指令,这俩指要在一起......
大家好,今后我每天更新一点关PLC的相关知识,以后以一天为指令讲解一天为实例分享,希望和大家一起成长,如果篇幅中有什么错误,希望大家能及时指正。
MC为设置主控指令;MCR为复位主控指令,这俩指要在一起使用,不可单独使用。
程式格式如下:
指令格式
注:n:嵌套(n0~n14),即最多的层数。
D:位元件或字元件
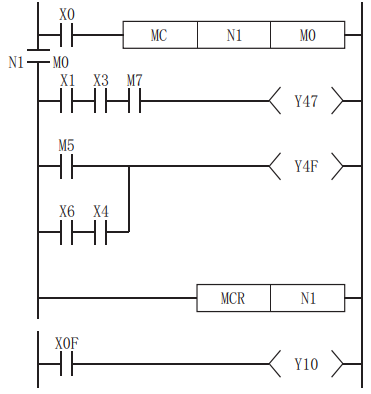
功能主控指令用于创建通过梯形图公共母线的开闭以进行高效的梯形图切换的顺控程序的指令。使用了主控指令程式如下图:
软件中程式(转换后):

软件中的程式
实际执行动作如下:

实际动作图
注:其中左母线中的M0触点不用输入,转换后自动生成。
对于主控指令就分享这么多,如果有什么错误请多指教。
