当前位置:首页 > 机械智慧 > 正文

行业汇总!13家无线充电芯片企业推出49款无线充发射芯片

前言随着车载、移动设备、智能设备等产品开始使用无线充电方式,无线充电的市场发展一日千里,据不完整统计,全球无线充电市场从2018年的60亿美元增长至2020年的100亿美元,到2024年预计达到150亿美元,年均复合增长16%。消费电子、汽车、工业、航空军工、医疗是无线充电的主要需求市场。无线充电技...

前言随着车载、移动设备、智能设备等产品开始使用无线充电方式,无线充电的市场发展一日千里,据不完整统计,全球无线充电市场从2018年的60亿美元增长至2020年的100亿美元,到2024年预计达到150......

前言

随着车载、移动设备、智能设备等产品开始使用无线充电方式,无线充电的市场发展一日千里,据不完整统计,全球无线充电市场从2018年的60亿美元增长至2020年的100亿美元,到2024年预计达到150亿美元,年均复合增长16%。消费电子、汽车、工业、航空军工、医疗是无线充电的主要需求市场。

无线充电技术,也称为无线能量传输,是一种通过电磁场传输能量以为电子设备充电的技术。它提供了一种无需物理连接即可充电的便利方式,已广泛应用于智能手机、手表、耳机和某些医疗设备等。

无线充电一般基于两种主要原理:电磁感应和磁共振。电磁感应利用两个线圈之间的电磁互感实现能量传输。当一个带电的线圈(发射器端)产生变化的磁场时,这个磁场可以在另一个线圈(接收端)中诱导出一个电流,从而传递能量。而磁共振依赖于发射器和接收器之间的共振频率,允许在一定距离内更高效地传输能量。

一个完整的无线充电系统主要包括发射器和接收器,其中发射器(Tx)包含用于生成磁场的线圈和控制电路。而接收器(Rx)包括接收线圈和接收芯片。接收线圈负责捕获磁场中的能量,而接收芯片则管理和转换这些能量,使其适用于设备。

2024(春季)亚洲充电展,3月20-22日将在深圳举办,届时将有多家无线充芯片企业参展,并发布多款新品和参考设计。

无线充电发射芯片盘点


SOUTHCHIP南芯


上海南芯半导体科技股份有限公司(简称:南芯科技,股票代码:688484),是一家专注于电源、电池管理和嵌入式的高性能国产半导体设计公司,拥有Chargepump、DCDC、ACDC、有线充电、无线充电、快充协议、锂电保护、汽车电子等多条产品线,基于自主研发的升降压充电、电荷泵和GaN直驱等核心技术,推出了多款明星产品,得到业内广泛认可。

南芯科技能够提供从AC到电池的端到端有线、无线完整快充解决方案,产品覆盖10W到240W功率等级范围。电荷泵和升降压开关充电系列快充产品打破国外垄断,通过了国内外多个知名品牌智能手机、平板电脑等厂家认证并已实现大规模量产;DCDC、有线充电、无线充电及嵌入式协议类产品在消费、泛工业等市场被广泛采用;并且,多类产品已通过AEC-Q100车规质量认证,能够提供完整的车载无线、有线充电方案,于多款车型中实现前装量产。

南芯科技拥有强大的研发及系统团队、独立的品质管控团队以及贴近客户的销售和支持团队,为高质量的产品开发设计保驾护航。南芯科技得到了上下游产业链与资本的广泛认可与支持,获得了上海集成电路产业基金、中芯聚源、红杉资本、OPPO、vivo、小米等的资本加持,助力公司持续、快速成长。

南芯科技产品已在荣耀、OPPO、vivo、小米、联想、三星、Anker、紫米等产品中频频亮相,在多款汽车品牌前装产品顺利量产,证明了其产品在性能、品质和成本等方面的诸多优势。南芯科技秉承“时间优先,性能优先”的产品理念,坚持“开拓进取,不断创新”的公司文化,致力于为客户提供高性能、高品质与高经济效益的系统解决方案。

南芯,为效率而生。

南芯SC5008

SC5008是一款15W全桥功率级,带有电压/电流解调的高度集成无线充电发射器,包含了实现符合WPC规范的无线电力发射器所需的所有模拟组件。该器件集成了全桥功率级,配备低导通电阻MOSFETs、门极驱动器、5V和3.3VLDOs、通信解调器以及输入电流感测电路。它能够与发射器控制器协同工作,构建一个性能卓越、成本效益高的无线电力发射系统,同时符合基准功率配置文件和扩展功率配置文件。


SC5008通过持续监测传输功率并将其与接收功率的数量进行比较(由功率接收器报告),实现异物检测(FOD)。为了实现这一目标,SC5008使用电流感测放大器精确测量输入直流电流。内置的5V和3.3VLDOs能够为内部和外部电路提供电源。

此外,SC5008支持欠压锁定(UVLO)、过流和短路保护(OCP和SCP)以及过温保护(OTP)。这些保护显著提高了整个无线电力发射系统的可靠性。SC5008采用3mmx4mmQFN封装。

南芯SC9608

SC9608是一款高集成度无线充电发射端SOC,其集成了powerstage,MCU主控以及协议部分,支持BPP5W、EPP10W以及最大EPP15W功率输出。超高的集成度不仅节约了方案成本,同时设计精简,缩短了客户项目的开发时间。


SC9608采用4mm*4mmFCQFN-25倒装封装,可获得更佳的散热性能。适用于各种兼容WPC的无线充电发射器或私有协议的无线充电发射器使用。

SC9608支持4-14V输入电压,内置32位数字内核,具备丰富的内存和外设,支持和BPP以及私有的无线充电协议。SC9608采用4*4mm,FCQFN-25倒装封装,可获得更佳的散热性能。适用于兼容WPC的无线充电发射器和私有协议的无线充电发射器应用,可实现简化的高集成无线充电器设计。

南芯SC9610

南芯SC9610是一款高集成、高效的无线充电发射控制器芯片,最大输出功率可达50W,符合协议,该芯片集成了32位的数字核心以及丰富的元器件,可利用它轻松地开发出功率高达50W的无线充电发射器及其他应用。


南芯SC9610支持4V至22V的输入电压范围,最高可转换为42V的电压,内部集成64KBMTP可编程多次存储器、8KBSRAM静态随机存取存储器,有效提升SC9610在不同场景下对数据的灵活处理和存储的能力,支持最多3个通道的增强型PWM输出或4个通用PWM输出,时钟频率高达192MHz。

SC9610集成了全桥驱动器、振幅键控(ASK)解调模块、频率键控(FSK)调制模块、模拟-数字转换器模块、6个定时器模块以及捕获模块等多个功能模块,支持I2C接口,集成了多个低压差稳压器模块,分别提供了5V、3.3V和1.5V的稳定输出电压,集成了一个快充接口,支持、VOOC、UFCS等快充协议,满足用户在充电效率和速度方面的多样需求。


功能说完,保护机制也是必不可少的,SC9610支持Q因数检测,集成用于异物检测的精确电流感应,同时集成过压保护(OVP)、过流保护(OCP)、过温保护(OTP)等保护机制,最大程度保护设备的安全。SC9610采用QFN44封装,不仅提供了良好的热性能和尺寸优势,同时也符合现代电子设备对于高性能和小型化的需求。

展会预告

上海南芯半导体科技股份有限公司参加充电头网主办的2024(春季)亚洲充电展,展位号位于B区B09、B10、B27、B28,3月20-22日欢迎莅临展会现场交流、洽谈。

GeoforceChip地芯引力


深圳市地芯引力科技有限公司系浙江地芯引力科技有限公司全资子公司(下称“公司”)。公司专注于高端消费电子、信息安全等半导体集成电路细分领域,是一家以科技创新为动力的数模混合集成电路专精特新“小巨人”企业。总部位于杭州市萧山区数字经济新硅谷——杭州湾信息港,并于深圳、成都分别设立销售服务支持中心及研发分中心。

公司主营产品涵盖电源管理芯片、信息安全芯片、信号链芯片等。

公司已被评为国家专精特新“小巨人”企业、国家重点集成电路设计企业、国家高新技术企业、浙江省“专精特新”中小企业、中国未来独角兽Top100、荣获中国专利奖“银奖”1项,承担浙江省“尖兵”项目1项,建有省级博土后工作站、省级高企研发中心、杭州市博土创新站,取得团体标准第一起草人(USB充电线通用技术要求)等行业标准化资质荣誉。

截止2023年12月,地芯引力总计申请269项知识产权,包括发明专利135项(授权61项)等。

地芯引力期待与同行一起,提升中国集成电路行业国产化率,促进国内集成电路产业链自主可控,为中国芯崛起而奋斗。

地芯引力GWW6117

GF5110-W10(GWW6117)手表无线快充电发射端是地芯引力科技基于电磁感应技术的专门为手表提供的无线快速充电解决方案。


此方案充电效率高,支持手表无线充协议,能完成手表动态加密通讯认证,可以一次性100%充满,不断充,充电过程不亮屏,无提示音,能实现420MA普通充电和1000MA的快速充电。而普通第三方的充电方案没有快速充电方案,且没有手表动态加密通讯认证,手机升级后不能使用,断充,亮屏,提示音等问题频繁出现。


该芯片最大可提供5W的输出功率,静态功耗小于0.2W,具有过流保护、过温保护、短路保护、过压保护等保护机制,采用QFN25封装。

展会预告

深圳市地芯引力科技有限公司参加充电头网主办的2024(春季)亚洲充电展,展位号位于C区C49、C50、C61、C62,3月20-22日欢迎莅临展会现场交流、洽谈。

Ismartware智融


珠海智融科技股份有限公司成立于2014年底,总部位于广东珠海,全国设有深圳、上海、成都等多个分、子公司。智融科技是一家专注于电源管理芯片领域的数模混合芯片设计企业,主营业务为电源管理芯片的研发、设计和销售。智融科技多年来深耕数模混合芯片,产品广泛应用于移动电源、车载充电器、氮化镓充电器、户外储能电源和智能插排等设备。

在有线快充、无线快充、低功耗高效率电源管理IC等技术领域拥有独家专利,在消费电子及3C配件市场占有率名列前茅,合作伙伴包括华为、OPPO、联想、公牛、ANKER、ASUS等海内外一线品牌。智融科技秉持着智慧、创新、融合的理念,致力于为客户提供品质一流,体验优越的智能芯片产品及解决方案,立志发展成为顶尖的民族芯片企业。

智融SW5001

智融SW5001是一颗高度集成的无线充发射端集成功率级芯片。芯片内部集成了高效率的全桥变换器和无损电流采样,支持PPS/PD/FCP/SCP/AFC等多种快充协议。集成电压和电流ASK解码电路、Q值检测电路,内部PWM发生器和FSK调制电路,适用于无线充发射端应用,支持最高12V输入,耐压16V,支持15W输出功率。


智融SW5001内部集成了5V50mA供电输出,可为无线充上主控单片机供电,省掉单片机的供电电路。


SW5001内部集成输入过压、输入欠压、输出短路及过热保护。同时支持I2C接口,可通过I²C接口向单片机输出状态信息。输入电压可根据分压电阻设定为5V/9V/12V,满足不同功率需求。

智融SW5006

SW5006是针对无线充电发射端最高15W功率的PowerStage芯片,支持直接驱动PWM

模式和寄存器参数控制PWM模式。


SW5006集成全桥变换器,由两个独立半桥组成,内部集成4个NMOS管及相应的驱动电路。全桥变换器支持外部驱动和内部驱动两种方式。外部驱动方式下,由PWM1和PWM2输入信号独立控制每个半桥;内部驱动方式下,由芯片内部的PWM发生器产生控制信号控制每个半桥。每个半桥的驱动信号的死区时间和驱动强度可通过寄存器进行调整。


SW5006支持PPS///SCP/AFC等快充协议,支持ASK解码、Q值检测,具有输入过压保护、输入欠压保护、全桥过流保护、芯片过温保护等保护机制,采用QFN-23(4x4m)封装。

展会预告

珠海智融科技股份有限公司参加充电头网主办的2024(春季)亚洲充电展,展位号位于A区A12、A13,3月20-22日欢迎莅临展会现场交流、洽谈。

MAXIC美芯晟


美芯晟科技(北京)股份有限公司(简称:美芯晟,股票代码:688458),是一家专注于高性能模拟及数模混合芯片的设计公司,形成了“电源管理+信号链”的双驱动产品体系,主要包括无线充电、有线快充、LED恒流驱动、信号链以及汽车电子等系列产品,其应用范围覆盖通信终端、消费类电子、工商业照明、智能家居、汽车电子等众多应用领域。

公司核心研发团队拥有深厚而先进的模拟及数模混合集成电路设计、工艺开发经验,拥有国内外百余项高电压、大电流、高功率模拟电源管理和数字电路设计的核心自主知识产权,遍布全球的十大技术支持中心可提供快速有效的技术服务,同时也已通过国内外一线品牌客户的品质和生产管理审核。

公司先后获得工信部集成电路设计企业资质、工信部重点小巨人、北京市专精特新小巨人等称号,同时拥有北京市企业技术中心、北京市科学技术奖、北京市高精尖工业设计中心、美国REDHERRING亚洲百强企业等多项荣誉奖项,得到业界的广泛认可。

未来,美芯晟将秉持“主动、雄心、卓越、创新、竞争力的”的经营理念,不断努力,为员工创造机会,为客户创造利益,为股东创造财富,为社会创造价值,最终成为行业领先、受人尊敬的模拟及数模混合芯片及相关解决方案的核心供应商。

美芯晟MT5811

美芯晟MT5811采用6*6mmQFN48封装,内置ARMM032位处理器,内置16KBeFLASH和4KBSRAM,支持15-50W无线充电应用。


MT5811输入支持/3.0,FCP/SCP和USBPD快充协议,内部集成三对NMOS驱动,用于定频调压应用及全桥MOS管驱动。芯片内部集成高压降压转换器用于降低发射端在高压输入时的功耗。片内集成3.3VLDO用于IO供电,1.5VLDO用于内核供电。


美芯晟MT5811内置高精度低侧电流检测,用于异物检测和电流解调,内部集成32KHz振荡器用于低功耗睡眠模式,集成60MHz可编程振荡器用于系统和PWM生成。支持外接8-24MHz晶振。芯片内部集成可编程锁相环用于高性能PWM生成。内置10位ADC用于采集电压、电流和温度。支持I2C、UART、SPI以及GPIO接口。芯片支持过压、过流和过热保护。

美芯晟MT5815

美芯晟MT5815是一款带有USBPD协议、高度集成的符合Qi标准的无线充电发射芯片,支持高达50W的输出功率,并且向下兼容不受限。


该芯片集成ARMM0处理器,拥有卓越的高效率和紧凑设计,适用于各种低成本、低功耗应用。可广泛应用于为5G智能终端、智能可穿戴设备、智能家居、物联网、智能家电进行无线充电的设备。


美芯晟MT5815资料信息。

美芯晟MTQ5807

MTQ5807是一款适用于汽车应用,最高支持15W的无线充电发射端芯片。它符合最新的WPCQi规范并支持(认证)和UFCS等多种私有快充协议。在芯片设计时采用了美芯晟专利技术Q值检测技术,实现以极低的功耗、更精确地检测到异物,提高系统可靠性。


芯片内部集成4KBSRAM和32KBMTP的32位ARM-M0处理器,支持多通道数字解调器,通过不同的滤波和解码方式对ASK信号进行解调,保证了通讯的可靠性。


芯片支持低功耗模式和超低功耗模式,提供全面的保护,包括过压保护、欠压保护、过流保护、短路保护、MOSFET逐周期限流和过热保护,有效保证系统稳定可靠运行,采用FCQFN封装。

展会预告

美芯晟科技(北京)股份有限公司参加充电头网主办的2024(春季)亚洲充电展,展位号位于C区C30、C31,3月20-22日欢迎莅临展会现场交流、洽谈。

Chipown芯朋


芯朋微电子(Chipown)是一家专注于功率半导体研发的高科技企业,公司成立于2005年,总部位于江苏无锡,并在苏州、上海、深圳、中山、珠海、厦门、青岛设有研发中心和客户支持机构。主要产品线包括模拟/数字架构的AC-DC、DC-DC、DriverIC及PowerDiscretes等,广泛应用于家电、充电适配器、智能电网、通信、服务器、光储充、工业电机、工控设备、汽车等领域。目前,公司为众多行业的TOP企业提供从高压电源芯片到低压电源芯片、从模拟电源芯片到数字电源芯片、从功率控制芯片到功率分立器件的“PowerSemiTotalSolution”,年出货超十亿颗芯片,建立了被数千家客户信赖的品牌优势。公司是上交所科创板的第一家高压电源芯片设计企业,股票简称:芯朋微,股票代码:688508。

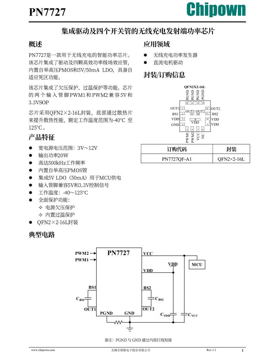
芯朋PN7727

芯朋PN7727是一颗支持Qi220W无线充电的全集成智能功率级芯片,芯片内部集成驱动器和H桥MOS管,并且集成一颗5V输出电压的稳压器,用于MCU供电。芯片支持3-12V供电,工作频率高达500KHz。


PN7727内部集成电源欠压保护和过热保护,两个PWM输入脚兼容5V和3.3V信号电平,抗干扰性好。PN7727为单晶圆设计,提供QFN2*2-16L封装,QFN封装底部具有散热焊盘,有效降低器件温升,适用于无线充电发射器和直流电机驱动应用,同时其QFN2*2-16L封装在同类封装中具有非常出色的紧凑设计,在同行业中处于领先的水平,可以更有效的散发热量与提高芯片的性能稳定性。


与一角硬币对比大小。


PN7727内部集成了一个驱动及四颗高效功率级场效应管,内置自举高压PMOS和5V/50mALDO,具备自适应死区功能,可以根据无线充电场景的不同灵活调整功率传输,提供更好的充电体验,使无线充电系统更加的智能高效,节约能源的同时具备更高的充电效率。

展会预告

无锡芯朋微电子股份有限公司参加充电头网主办的2024(春季)亚洲充电展,展位号位于A区A15,3月20-22日欢迎莅临展会现场交流、洽谈。

Injoinic英集芯


深圳英集芯科技股份有限公司,于2022年4月19日正式登陆上交所科创板,股票简称:英集芯;股票代码:688209。公司成立于2014年11月20日,是一家专注于高性能、高品质数模混合芯片设计公司,主营业务为电源管理芯片、快充协议芯片的研发和销售。英集芯持续推出高性价比的智能数模混合芯片,提供的电源管理芯片和快充协议芯片广泛应用于移动电源、快充电源适配器、无线充电器、车载充电器、TWS耳机充电仓等产品。公司合作的最终品牌客户包括小米、OPPO等知名厂商。

英集芯的芯片产品具备高集成度、高可定制化程度、高性价比、低可替代性的特点,能够缩短客户成品方案研发周期,简化客户产品生产过程,提升产品良率和可靠性,从而帮助客户优化成本并满足多样化的需求。

未来,英集芯将基于在消费电子领域的优势市场地位,以行业前沿技术和客户需求为导向,发挥自身在电源管理芯片和快充协议芯片领域的研发及设计优势,持续推出具有市场竞争力的芯片及配套解决方案,进一步提升产品的品牌知名度,不断拓展应用领域及下游客户覆盖范围,致力于成为国际一流的数模混合芯片设计公司。

英集芯IP6801

IP6801是英集芯新推出的一款高集成度,符合WPCqi标准的无线充电发射控制芯片,最高支持15W无线充电,支持为5V500mA适配器与PCUSB接口供电。IP6801内部集成H桥驱动模块、ASK通讯解调模块、适配器快充Sink协议等必要的无线充电资源。


IP6801支持12V供电工作,内部集成的8位MCU和OTPROM提供了强大的计算和控制能力,集成单通道触摸按键检测,支持CBB/NPO/X7R谐振电容。同时IP6801具有极低的功耗,工作待机功耗小于10mA,睡眠模式下功耗仅为5μA。


IP6801采用SOP16封装,PIN脚功能排布针对无线充电应用进行了优化,非常便于方案PCB绘制。

英集芯IP6802

IP6802是一颗完整的单芯片无线充电SOC芯片,这款芯片内置协议,支持使用PD快充和DPDM快充供电,自动申请快充电压,支持4~20V输入电压。芯片内置全桥驱动和数字解调,无需外置驱动器和运放,搭配四颗MOS管和少量的外围元件即可实现完整的Qi2无线充电成品。


英集芯IP6802内部集成32位MCU、ADC、定时器和H桥驱动,还集成I2C通信,解调和解码电路以及丰富的IO资源,支持功能定制以及认证测试。IP6802内置32KBMTP存储器,支持固件重复升级,支持定制LED指示灯效果,还支持用户通过PC上位机自定义。


IP6802内置动态功率调节,对于供电能力不足的USB电源适配器,能够通过降低发射功率来保持无线充电不中断。芯片支持静态和动态FOD异物检测,支持外接NTC热敏电阻进行过热保护,并支持输入过压保护,过流保护以及欠压保护。

英集芯IP6805S

IP6805S是一款无线充电发射端控制SoC芯片,兼容WPC标准,支持A11或A11a线圈,支持5W充电。


IP6805S通过AnalogPing检测无线充接收器,通过DigitalPing建立与无线充接收端之间的通信,通信成功之后,则开始功率传输。

IP6805S解码从接收器发送的通信数据包,然后用PID算法来改变振荡频率从而调整线圈上的输出功率。IP6805S片内集成全桥驱动电路和功率MOS,集成电压电流两路ASK通讯解调模块;方案集成度高,可显著降低方案尺寸和BOM成本。

英集芯IP6806

IP6806是一款无线充电发射端控制SoC芯片,兼容最新标准,支持A11线圈,支持5W、苹果7.5W、三星10W充电。IP6806通过analogping检测到无线接收器,并建立与接收端之间的通信,则开始功率传输。


IP6806解码从接收器发送的通信数据包,然后用PID算法来改变振荡频率从而调整线圈上的输出功率。一旦接收器上的电池充满电时,IP6806终止电力传输。片内集成全桥功率MOS电路和电压电流两路ASK通讯解调模块,集成度高,降低方案尺寸和BOM成本。应用产品包括背夹、无线充电底座、车载无线充电设备等。


IP6806详细资料信息。

英集芯IP6808

英集芯IP6808是一款无线充电发射端SoC控制芯片,兼容最新标准,支持A11线圈,支持5W、苹果7.5W、三星10W充电。


IP6808通过analogping检测到无线接收器,并建立与接收端之间的通信,则开始功率传输。IP6808解码从接收器发送的通信数据包,然后用PID算法来改变振荡频率从而调整线圈上的输出功率。一旦接收器上的电池充满电时,IP6808终止电力传输。


此外,片内还集成全桥驱动电路和电压电流两路ASK通讯解调模块,集成度高,降低方案尺寸和BOM成本。应用产品包括:背夹、无线充电底座;车载无线充电设备等。

英集芯IP6809

IP6809是一颗支持5-15W应用的无线充电发射芯片,输入耐压25V,支持,内部集成全桥MOS驱动和电压电流解调,外置功率MOS管,外围电路简单。支持静态和动态FOD检测。静态电流为4mA,充电效率可达80%,兼容NPO电容和CBB电容,支持自动功率调整,保证正常充电。


IP6809支持三线圈无线充电应用,支持成品固件在线升级,支持三个LED状态指示,支持定制指示。采用6*6mmQFN40封装,具有更多的GPIO引脚。


英集芯IP6809详细资料。

英集芯IP6821

IP6821是一款高集成度,符合WPCqi标准的无线充电发射控制芯片。芯片内部集成H桥驱动模块、ASK通讯解调模块、适配器快充Sink协议等必要的无线充电资源。


IP6821支持协议、异物检测灵敏度、指示灯等功能定制。IP6821采用SOP16封装,PIN脚功能排布针对无线充电应用进行了优化,非常便于方案PCB绘制。

英集芯IP6822

IP6822是一款高集成度,符合WPCQI标准的无线充电发射控制芯片。芯片内部集成H桥驱动模块、ASK通讯解调模块、适配器快充Sink协议等必要的无线充电资源。


IP6822内置8-bitMCU和丰富的外设资源,支持协议、异物检测灵敏度、指示灯等功能定制。IP6822采用QFN16(3mm*3mm)封装,配合外围精简的应用电路,极大的节省了PCB占板面积,方便应用到空间紧凑的产品设计中。

英集芯IP6825

IP6825是一款无线充电发射端控制SoC芯片,兼容WPCQi最新标准,支持A11或A11a线圈,支持5W充电。


IP6825通过AnalogPing检测无线充接收器,通过DigitalPing建立与无线充接收端之间的通信,通信成功之后,则开始功率传输。

IP6825解码从接收器发送的通信数据包,然后用PID算法来改变振荡频率从而调整线圈上的输出功率。一旦接收器上的电池充满电时,IP6825终止电力传输。

IP6825片内集成全桥驱动电路和功率MOS,集成电压电流两路ASK通讯解调模块;方案集成度高,可显著降低方案尺寸和BOM成本。

英集芯IP6826

IP6826是一款无线充电发射端控制SoC芯片,兼容最新标准,支持A11、A11a、MP-A2线圈,支持5W、苹果7.5W、三星10W、15W充电。IP6826通过analogping检测到无线接收器,并建立与接收端之间的通信,则开始功率传输。


IP6826解码从接收器发送的通信数据包,然后用PID算法来改变振荡频率从而调整线圈上的输出功率。

IP6826片内集成全桥驱动电路和全桥功率MOS,电压电流两路ASK通讯解调模块;方案集成度高,可显著降低方案尺寸和BOM成本。

英集芯IP6829

IP6829是一款无线充电发射端控制SoC芯片,兼容最新标准,支持A11、A11a、MP-A2线圈,支持5W、苹果7.5W、三星10W、15W充电。IP6829通过analogping检测到无线接收器,并建立与接收端之间的通信,则开始功率传输。


IP6829解码从接收器发送的通信数据包,然后用PID算法来改变振荡频率从而调整线圈上的输出功率。IP6829片内集成全桥驱动电路和全桥功率MOS,电压电流两路ASK通讯解调模块;方案集成度高,可显著降低方案尺寸和BOM成本。

英集芯IP6862

IP6862是一款支持一芯多充的无线充电发射端控制SOC芯片,内部集成32位MCU、ADC、Timer、I2C、H桥驱动、ASK解调解码以及丰富的IO资源,可以定制各类Qi协议无线充电方案并通过认证测试。


IP6862集成多种充电头快充协议,支持高压无线快充。IP6862集成丰富IO资源,支持指示灯效果定制,用户也可以通过PC端上位机自定义指示灯。

展会预告

深圳英集芯科技股份有限公司参加充电头网主办的2024(春季)亚洲充电展,展位号位于A区A21,3月20-22日欢迎莅临展会现场交流、洽谈。

ST意法半导体


意法半导体拥有5万名半导体技术的创造者和创新者,掌握半导体供应链和先进的制造设备。作为一家半导体垂直整合制造商(IDM),意法半导体与二十多万家客户、成千上万名合作伙伴一起研发产品和解决方案,共同构建生态系统,帮助他们更好地应对各种挑战和新机遇,满足世界对可持续发展的更高需求。意法半导体的技术让人们的出行更智能,让电源和能源管理更高效,让云连接的自主化设备应用更广泛。意法半导体承诺将于2027年实现碳中和(在范围1和2内完全实现碳中和,在范围3内部分实现碳中和)。

意法STWBC2-HP

STWBC2-HP是专为设计Qi认证无线电力发射器应用而打造的一款数字控制芯片。其核心部分搭载了STM32G071微控制器,该微控制器采用ARMCortex™-M0+CPU,运行频率高达64MHz,并具备128KFlash存储器和32K带奇偶校验的SRAM,可为芯片提供强大的计算和存储性能。


STWBC2-HP通过精密的数字控制器实现对通用Qi无线充电发射器的DC-DC阶段以及半桥或全桥反变器阶段的高效驱动。其PWM机制具有1.47ns的分辨率,通过40MHzPLL和17步DLL精确生成和控制PWM信号,从而实现精准而高效的功率调节。


STWBC2-HP具有从4.1V到24V的工作电压范围,内部集成了3个半桥驱动器,可灵活地驱动FB反变器或DC-DCMOSFET,同时还配备了2个用于外部门驱动器的PWM输出。此外,STWBC2-HP还集成了LED/扬声器驱动器、3.6V/5V单片降压DC-DC、3.3V和1.8V的LDO用于供应STM32的不同部分,并搭载了6V到9V的电压倍增器,用于供应门驱动器。

STWBC2-HP的前端芯片不仅具备USBPD接口、谐振电流、电压和相位感知电路、Q值驱动器等功能,还可以通过SPI接口与STM32进行高效通信,并提供输出多路复用器和GPIO,以实现模拟和数字信号的有效传输。

意法STWBC86

STWBC86是一款高度集成的单片无线电力发射器芯片,专为高达5W的无线充电应用场景设计而成。该芯片符合标准的PowerClass0BPP功率等级,采用A11a拓扑结构的功率传输参考设计,实现了在接收端5W的输出功率传输,可接收4.75V至20V的输入电压,可适应不同的工作条件。


STWBC86采用单片集成解决方案,内部集成了半桥/全桥逆变器和驱动器,有效提高了效率并降低了BOM成本。同时其搭载32位、64MHz的ARMCortex微控制器,配备8KBSRAM,支持FTP用于固件修补。在功能方面,STWBC86具备On-chip电流感测、10位A/D转换器以及可完全配置的GPIOs,可以实现准确的电流和电压测量,满足FOD的需求,同时还提供电流限制和热保护功能,确保系统的稳定性和安全性。

STWBC86具备ASK和FSK通信能力,确保数据传输的可靠性,采用FlipChip封装,具有72个触点,适用于手机快充适配器、医疗电子、以及智能穿戴等领域。

展会预告Blande贝兰德


贝兰德科技具有高新技术企业、国家级专精特新、创新性中小企业资质自成立11年来一直专注于全同步数字解调无线充电IC研发与销售,为移动设备、消费类电子、车载无线充电等无线充电产品带来优质便捷的感知体验,,并有充足的技术研发及质量控制能力,核心研发团队来自TI、NXP、ST的研发精英,在无线充电系统架构、集成电路设计、数模混合电路设计、算法研发等领域有着多年的设计研发经验。

为无线充电产品提供最优质的无线充电IC和技术解决方案,贝兰德在无线充电一芯多充领域沉积多年,一直保持创新优势,2018年推出双充方案、2019年推出一芯双充双15W方案、2021年推出一芯三充手机+耳机+手表方案,到今年的迭代一芯三充方案D9512高性价比无线充电方案并已经大批量出货。贝兰德无线充方案秉着技术创新为本、服务客户优先的理念,给广大客户带来了稳定优越的无线充电方案。

贝兰德D9512

贝兰德D9512是一款无线充电发射芯片,采用数字解调,抗干扰能力强,三路无线充电输出均支持兼容5W、7.5W、10W、15W,并且为三路独立输出,互不干扰,可支持苹果7.5W、三星10W、EPP15W无线快充。


贝兰德D9512内部集成动态功率限制,可以无缝优化输入功率。芯片具备I2C和USART接口,支持LED状态显示输出,采用QFN4*4-32封装。


贝兰德D9512详细资料。

贝兰德D9516

贝兰德D9516无线充电主控采用数字解调,抗干扰能力强,支持两路无线充电输出,内部集成动态功率限制,可以无缝优化输入功率。芯片具备I2C和USART接口,支持LED状态显示输出,采用QFN4*4-32封装。


贝兰德D9516,芯片具有如下特点:

1、集成(PPS)//AFC快充协议,支持苹果/三星全系列PD/QC快充头

2、自适应输入电压,不挑适配器

3、集成72MHz主频32bitARM处理器,PWM频率高至144MHz

4、丰富的内存及引脚资源,满足各种定制化需求

5、支持USB在线更新Firmware,无需专用烧录器

6、集成多通道全数字解调专用PHY,特有的Wave-Monitor技术,保证通讯可靠性

7、支持MP-A11/MP-A2/A28/A11等WPC标准Type架构

8、GUI开放客户自主定制程序功能


贝兰德D9516详细资料。

贝兰德D9612

贝兰德“一芯三充”无线充电芯片D9612支持采用数字解调,抗干扰能力强,三路无线充电输出均支持兼容5W、7.5W、10W、15W,并且为三路独立输出,互不干扰,可支持苹果7.5W、三星10W、EPP15W无线快充。此外芯片集成了USBPD等主流快充协议识别功能,无需外置协议识别芯片即可直接采用PD充电器供电,通用性强。


芯片集成72MHz主频32bitARM处理器,PWM频率高至144MHz;丰富的内存及引脚资源,满足各种定制化需求。

此外,该芯片还支持USB在线更新Firmware,无需专用烧录器;集成多通道全数字解调专用PHY,特有的Wave-Monitor技术,保证通讯可靠性;支持MP-A11/MP-A2/A28/A11等WPC标准Type架构。


通过规格书可见,贝兰德全数字解调无线充发射芯片D9612集成(PPS)//AFC快充协议,支持苹果、三星全系列PD、QC快充充电器供电;支持自适应输入电压,不挑适配器;

展会预告

深圳市贝兰德科技有限公司参加充电头网主办的2024(春季)亚洲充电展,展位号位于B区B56,3月20-22日欢迎莅临展会现场交流、洽谈。

EESON一鑫研创


一鑫研创科技有限公司以微控制器(MCU)为研发核心,产品应用领域包括无线充电产品、电机控制类、Type-c转HDMI类等。研发团队秉承工匠精神,对产品质量高度负责,确保从一鑫研创科技有限公司出去的每个芯片都是安全可靠,符合客户规格的。

服务导向策略

创业以来,一鑫研创科技有限公司创始终秉持着「诚信」、「创意」、「品质」、「服务」的经营理念,以人性化管理及利润共享,吸引优秀的人才投入。未来,一鑫研创科技有限公司将朝目标全力以赴,持续提高企业价值,提供杰出的产品与服务,以期成为国内强支持实力的代理商、方案商公司,实现「科技落实生活」的企业愿景。

一鑫研创GPM8F313XD

GPM8F313XD是一款高度集成的微控制器,内置流水线式1T8051CPU、1K字节XRAM、256字节IDMSRAM和32K字节的程序闪存。


GPM8F313XD具有最多35个可编程的多功能输出(VO)、定时器0/1/A/B/C、UART(串行通信)/SPI(主/从)/I2C(主/从)、一个操作放大器(OP)、两个比较器、64MHzPLL、16位x16位乘法器、32位/16位除法器、16位加法器、16位减法器、32位移位器以及两个带有12位分辨率的8通道SARADCs。其工作电压范围广泛,从2.4V至5.5V,具体取决于提供的各种时钟源。

一鑫研创GPM8F8006C

GPM8F8006C芯片是一款性能卓越的嵌入式处理器,采用高性能的1T8051-basedCPU设计。其独特的PipelineRISC架构使其能够以比标准8051快10倍的速度执行指令,最高可达65.3824MHz的时钟操作。该芯片内置3K字节XRAM和256字节的内部数据存储器(IDM)SRAM,为各种应用提供强大的数据处理和存储能力。


在时钟管理方面,GPM8F8006C芯片提供多种时钟源选择,包括内部振荡器、带PLL的内部振荡器,以及晶体输入。这为开发者提供了灵活性和稳定性,能够根据具体需求调整时钟频率,以满足系统的不同要求。

IO端口设计灵活,最多支持26个多功能双向VOs。每个端口都包含了丰富的功能,如上拉电阻、下拉电阻、输出高/低以及输出驱动能力。具备15mA或8mA电流下沉/驱动的I/O端口,可满足连接和控制各种外设的需求。


在定时器和计数器方面,GPM8F8006C芯片配备了两个16位定时器/计数器(Timer0/1),以及三个强大的定时器:TimerA、TimerB和TimerC。这些功能支持多种定时和PWM功能,为开发者提供了丰富的计时和测量选项。

通信方面,该芯片具备丰富的通信接口,包括UART、SPI、和I2C,以及强大的13通道12位分辨率ADC。这使其成为适用于广泛应用领域的理想选择,包括物联网、嵌入式系统和自动化控制等。总体而言,GPM8F8006C芯片凭借其功能丰富、性能卓越以及灵活性,成为开发者首选的解决方案之一。

一鑫研创LY6105B

LY6105B是一款高度集成的QI兼容无线电源传输器解决方案。它整合了WPCQi标准的版本,并在数据包(信号)解调方面表现出色。为防止系统陷入异常状态,如过电流、低电压、热保护和偏移保护,LY6105B采用了多种保护措施。


LY6105B采用LQFP48封装,专为可穿戴应用提供了应用电路。在可穿戴应用中,采用PWM直接驱动MOSFET的特性,同时解调电路和偏移保护已在多个国家提交专利申请。

一鑫研创GPM8FD3331B

GPM8FD3331B微控制器是一款高性能的48针脚8位芯片,采用1T8051架构,拥有强大的CPU性能。具备高达65.3824MHz的时钟操作以及流水线RISC架构,其执行指令的速度较标准8051快10倍。同时,它与工业标准8051的软件完美兼容性,兼容性达到了100%。


在存储方面,GPM8FD3331B配备了3K字节的XRAM和256字节的内部数据存储器(IDM)SRAM,以及32K字节的高耐久性闪存。这使得它适用于各种应用场景,而最小100,000次的程序/擦除循环和最小10年的数据保留期则保证了其可靠性和稳定性。

时钟管理方面,GPM8FD3331B内置了多种时钟源,包括内部振荡器、带PLL的内部振荡器和8MHz的晶体输入。此外,它还提供了省电的睡眠模式,有效地进行节能管理。


该芯片的中断管理功能强大,拥有12个中断源和2个外部中断源,有效地处理各种中断事件。复位管理方面,它支持多种复位方式,包括上电复位、低电压复位、引脚复位、看门狗复位等,确保系统的可靠启动和稳定运行。

在模拟部分,GPM8FD3331B集成了时基发生器、事件计时器、系统监视器和三个运算放大器,以及两个比较器。这些功能为系统提供了更多的控制和监测能力,满足不同应用的需求。

此外,GPM8FD3331B采用QFN48封装,拥有最多26个多功能双向I/O端口,每个端口都包含上拉电阻、下拉电阻、输出高、输出低、输出驱动能力和浮动输入。这种灵活性使得它适用于多样化的外部设备连接和控制。

一鑫研创GPM32FD0338B

GPM32FD0338B是一款高性能的工业微控制器,CPU子系统搭载ARM®Cortex®-M032位CPU,支持代码获取加速器和嵌套向量中断控制器,同时配备了强大的24位SysTick定时器。拥有8KB至12KB可配置的SRAM、4KB用于加载器的系统内存和最大60KB的程序存储器,支持可配置的数据存储器。


GPM32FD0338B集成了标准,在信号解调方面表现卓越。具备多种保护机制,包括过电流、低电压、热保护、Q因子保护和偏移保护,支持4个安全级别,并通过HBM4KV、MM400V和CDM500V等测试,具备96位唯一ID,为系统安全性提供了额外的保障。

GPM32FD0338B采用QFN48封装,提供最大34个快速多功能双向I/O端口,每个I/O端口支持外部中断向量,具有15mA/20mA的源/汇流能力。

展会预告

一鑫研创科技有限公司参加充电头网主办的2024(春季)亚洲充电展,展位号位于B区B73,3月20-22日欢迎莅临展会现场交流、洽谈。

NuVolta伏达


伏达半导体(NuVoltaTechnologies)成立于2014年,专注于电源管理芯片及一站式解决方案的研发及创新。伏达凭借自身技术积累,已成为同时提供成熟的无线充电与有线充电方案的佼佼者。发展至今,伏达已经在上海、深圳、合肥、北京、美国、韩国、马来西亚等设立了分公司,为全球客户提供高效、优质的支持与服务。

伏达的产品已涵盖无线充电接收与发射芯片、有线快充芯片、电源管理芯片与汽车电源管理芯片等,助力客户拓展消费类电子、汽车电子、工业医疗等市场。仅2021年,伏达的独特的充电方案成功助力多个手机品牌发布了支持快充的手机,我们将无线快充的充电功率从30W、50W,刷新到67W;有线快充更是突破了单芯片100W的极限。

伏达将不断推出创新产品,为客户提供更多高性能、高效率的电源芯片,让更多的用户感受科技创新所带来的便捷与安全。

伏达NU1020

伏达NU1020是一款高度集成的全桥功率级IC,针对无线充电发射器解决方案进行了优化。该器件集成了所有关键功能,例如高效功率FET,低EMIFET驱动器,自举电路,5V集成DC/DC电源,3.3V(可配置2.5V)LDO和无损电流测量。


NU1020专有的电流测量电路可为FOD(异物检测)功率测量,带内通信,Q值检测和数字解调提供准确的电流读数。


NU1020内置了多种保护功能,如输入欠压锁定、过压保护、过流保护和热量关机功能,进一步提高了整体系统方案的可靠性。它还包含一个I2C接口,用于与控制器的通信,可以轻松扩展到多线圈方案。该设备采用了具有优化热性能的4mm×4mmQFN封装,以确保稳定可靠的运行。

伏达NU1705A

NU1705A是一款新一代高度集成的无线电力发射器解决方案,集成了为宽频率范围设计的全桥功率级、32位MCU核心和QC/PD协议的快速充电模块。


NU1705A内集成了高效率功率FET、低电磁干扰FET驱动器、Bootstrap电路、4.8V/1.8V集成LDO电源以及无损电流测量。独有的电流测量电路提供了用于FOD(异物检测)电力测量的准确电流读数,用于带内通信、Q因子检测和数字解调。


NU1705A具有输入欠压锁定、过压保护、过流保护、创新独特的JuggleProtection电路和热关断等保护功能,采用QFN284x4mm封装。

伏达NU1708A

伏达NU1708A这款无线充电发射芯片将传统无线充主控MCU核和功率全桥集成在单颗芯片中,内置高精度无损电流检测,支持快充取电,最高输出功率高达30W,只需单颗芯片就可以实现完整的无线充设计,在可靠性更强的同时有效降低PCB占用空间,降低产品体积。


NU1708A内置高精度无损电流检测,用于异物检测和带内通信,IC内部集成了输入电压欠压锁定、过电压保护、过电流保护和热关断等保护功能,进一步增强了整个系统解决方案的可靠性。


NU1708A还支持I2C和UART接口,内置ADC用于采集充电参数信息。支持QC及PD快充取电功能,可用于实现无线充电器、充电宝、家电等设备的无线充电功能。

伏达NU1718

NU1718是一款伏达自主开发的高集成度无线充发射端控制器芯片,集成了一个用于电源输入电压调节的Boost变换器,可调节输出电压范围为5V至45V,步进为25mV,集成四对半桥驱动器,可控制死区时间和斜率,集成了一个91.996MHz时钟频率、32位架构、64K多编程存储器和4K静态随机存取存储器的微控制器核心,支持QC/PD协议的快速充电模块,可以很好地满足Qi2MPP的规格要求。


NU1718集成了电源系统的各项关键功能,包括低电磁干扰(EMI)场效应晶体管(FET)驱动器、启动电路、5V/3.3V/1.8VLDO电源以及高精度电流测量。其独有的电流测量电路可提供准确的电流读数,用于FOD电源测量,还支持带内管理、Q因数检测和ASK解调。此外,NU1718还集成了诸如输入欠压锁定、过压保护、过流保护、创新独特的JuggleProtection电路和热关断等保护功能,进一步提升整个系统解决方案的可靠性。

NU1718在睡眠模式下具有超低静态电流,小于20uA,从而极大地节省能源。该设备还支持多种通信接口,包括灵活的I2C主/从和UART接口,为系统集成提供了更多的选择和便利性。此外,NU1718配备了强大的数据采集能力,拥有13通道、14位ADC,可提供精确且多样化的数据采样与监测。


伏达NU1718采用6mmx6mmQFN48封装。以上描述的多种优势特点使NU1718成为符合的无线充电发射模块的理想选择,据充电头网了解,目前搭载这款芯片的NU222模块已经率先通过了Qi2认证。同时NU1718也适用于包括消费品、工业、汽车售后市场和医疗等领域的无线电力发射器,该芯片还适合开发80WTx(发射器),目前已在国内多家手机制造商中使用。

展会预告

伏达半导体(合肥)股份有限公司参加充电头网主办的2024(春季)亚洲充电展,展位号位于B区B76,3月20-22日欢迎莅临展会现场交流、洽谈。

CVS劲芯微


深圳劲芯微电子有限公司成立于2013年,专注于无线充电、有线快充、MCU等领域的芯片研发,是国家高新技术企业、国家专精特新“小巨人”企业。

劲芯微电子拥有丰富经验的开发团队,核心成员来自于美国国家半导体,NXP以及富士通,均为芯片设计领域的资深人士,其中多位都在芯片行业拥有20-30年的丰富设计经验。

未来,劲芯微电子将推出更多具有竞争力的产品,致力于成为国内外领先的芯片研发设计公司。

劲芯微CV90330

CV90330是一颗无线充电发射SoC芯片,支持,,AFC等多种适配器供电。兼容最新标准,支持单线圈无线充电应用,支持BPP5W、苹果7.5W、三星10W、EPP15W充电。


CV90330内置欠压保护,过压保护、过流保护、过温保护等功能,支持FOD检测。CV90330采用QFN32封装,体积小,并集成全桥驱动电路和电压电流两路通讯解码功能模块,可显著缩小PCB尺寸以及降低BOM成本。

劲芯微CV90331

CV90331是一颗无线充电发射SoC芯片,支持,,,,AFC等多种适配器供电。兼容最新标准,支持3线圈无线充电应用,支持MP-A11线圈、A28线圈、MP-A8线圈,支持客户线圈定制方案,支持BPP5W、苹果7.5W、三星10W、EPP15W充电。


CV90331内置欠压保护压,过压保护、过流保护、过温保护等功能,支持FOD检测。


CV90331详细资料。

劲芯微CV90355

CV90355是一颗无线充电发射SoC芯片,支持,,,,AFC等多种适配器供电。兼容最新标准,支持3线圈无线充电应用,支持MP-A11线圈、A28线圈、MP-A8线圈,支持客户线圈定制方案,支持BPP5W、苹果7.5W、三星10W、EPP15W充电。


CV90355内置欠压保护,过压保护、过流保护、过温保护等功能,支持FOD检测。

劲芯微CV90362A

CV90362A是一颗无线充电发射SoC芯片,支持,,,,AFC等多种适配器供电。支持、最新标准,支持单线圈/多线圈无线充电应用,支持Qi标准BPP5W、苹果7.5W、三星10W、EPP15W充电;支持客户私有协议,功率高达100W。


CV90362A可设置欠压保护,硬件过压保护、过流保护、过温保护等功能,支持Q值、FOD检测。集成全桥驱动电路和电压电流两路通讯解码功能模块,CV90362A采用QFN48封装,可显著缩小PCB尺寸以及降低BOM成本。

劲芯微CV90363

CV90363是一颗无线充电发射SoC芯片,支持,,,,AFC等多种适配器供电。支持、最新标准,支持单线圈/多线圈无线充电应用,支持Qi标准BPP5W、苹果7.5W、三星10W、EPP15W充电;支持客户私有协议,功率高达100W。


CV90363可设置欠压保护,硬件过压保护、过流保护、过温保护等功能,支持Q值、FOD检测。集成全桥驱动电路和电压电流两路通讯解码功能模块,CV90363采用QFN56封装,可显著缩小PCB尺寸以及降低BOM成本。

劲芯微CV90365

CV90365是一颗无线充电发射SoC芯片,支持,,,,AFC等多种适配器供电。


CV90365支持、最新标准,支持单线圈/多线圈无线充电应用,支持Qi标准BPP5W、苹果7.5W、三星10W、EPP15W充电;支持客户私有协议,功率高达100W。


CV90365可设置欠压保护,硬件过压保护、过流保护、过温保护等功能,支持Q值、FOD检测。集成全桥驱动电路和电压电流两路通讯解码功能模块,CV90365采用QFN64封装,可显著缩小PCB尺寸以及降低BOM成本。

劲芯微CV90367

劲芯微Qi2芯片CV90367是一款功能强大的的无线充电芯片,支持为多种充电适配器供电,支持Qi2最新标准以及过往标准,支持单线圈/多线圈无线充电应用,功率高达80W,可设置多种保护功能,集成全桥驱动电路和电压电流两路通讯解码功能模块,采用QFN48封装,整体结构小巧紧凑,可显著缩小PCB尺寸和减低BOM成本。


劲芯微Qi2芯片CV90367是一颗符合、和标准的无线充电发射SoC芯片,支持符合Qi标准的BPP5W、苹果7.5W、PPDE三星10W、EPP15W和MPP15W无线充电,同时支持客户私有协议,可自定义通信协议,具备很强的兼容性和多功率支持。


CV90367内置32bits的高速CPU内核,内置32KB存储的MTP,16KB的Mask的ROM,4KBRAM以及支持Type-C口升级的FW。同时广泛支持市面主流的快充协议,内置全桥MOS栅极驱动器,4对互补16bits高速PWM@128MHz,2路高速独立16bitsPWM还有8路12bits高精度ADC,使其在性能、可扩展性、适应性和控制能力方面具有很大的优势。

CV90367内置电压、电流双路解码、低零漂运放、硬件过压保护功能,支持Q值检测以及FOD异物检测功能,同时还具有11个GPIO,支持I2C,UART通信,提供更多的连接和扩展选项,使芯片能够与其他设备进行高效的通信和数据交换,实现更复杂的控制和监测功能。

劲芯微CV90368

劲芯微Qi2芯片CV90368作为CV90367的改进升级款,在功能特性上做出了诸多升级,提供更加先进的性能,支持“一芯双充”,可同时为多个设备充电,满足不同用户的多样性需求。


CV90368在CV90367的基础上将最大功率由80W提升到了100W,并可最多同时支持3个RX设备无线充电,同时也将RAM由原来的4KB升级为6KB,12bits高精度ADC由原来的8路升级为13路,增加了7个GPIO达到了18个GPIO,同时采用了更加先进的封装方式,使结构更加的紧凑,减少了开发成本和降低PCB尺寸。


CV90368采用了比CV90367更加高级的封装工艺QFN56,整体尺寸更加小巧紧凑,同时其支持一“芯”双充,故可应用在多合一无线充电底座与各种无线充电设备中。

展会预告

深圳劲芯微电子有限公司参加充电头网主办的2024(春季)亚洲充电展,展位号位于B区B91,3月20-22日欢迎莅临展会现场交流、洽谈。

CPS易冲


易冲半导体成立于2016年,是一家高速发展的高性能模拟及混合信号集成电路芯片设计公司。公司拥有一支高质量的管理研发团队,团队核心成员均为业内资深专家。

易冲半导体正广泛布局从220V电源到电池的全链路产品,包括:

◆无线充电芯片

◆快充协议芯片

◆AC/DC芯片

◆线缆芯片

◆USB端口保护芯片

◆开关充电芯片

◆电荷泵以及相关电源管理芯片

◆车载及工业电源芯片

产品广泛应用于智能手机/穿戴、个人电脑、车载电子、智能家居等行业。

易冲CPS8200

CPS8200是一款高效、符合Qi标准的磁感应无线电能发射器芯片,具有宽广的电压范围,VIN为3.9V到24V(最大26V),功率级为2V到45V(最大50V)。它支持与无线电能接收器(ASK/FSK)的安全双向通信,提供灵活的通信接口端口,以及可靠的过压/过流/过温保护方案。


该器件包括降压变换器、低压差线性稳压器、DC-DC控制器、全桥驱动器、通信调制器/解调器、异物检测(FOD)、多通道12位ADC(每秒最高可达4M样本),以及片上MTP,以最大程度提高软件灵活性,同时在待机状态下消耗极低的功耗。CPS8200采用无铅环保设计,封装为QFN486mmx6mm。

易冲CPS8100

CPS8100,是一颗高效率高集成度符合Qi标准的无线充电发射芯片,具备3.9V到26V的输入电压范围,支持与无线电能接收器的安全双向通信(ASK/FSK),,具有灵活的通信接口端口,以及可靠的过压/过流/过温保护方案。


CPS8100支持50W私有协议无线充电,芯片内部集成全桥驱动电路,Q值检测电路和调制解调电路,外围元件精简。芯片内部集成M0内核,符合AEC-Q100标准,支持私有快充协议。


CPS8100专为无线充电系统设计,将低功耗部分全部集成,包含无线充电协议,MOS驱动电路,Q值检测,解调电路等。用户可以根据不同的需求来选择功率器件,更加灵活同时兼具成本优势。CPS8100方案拥有完善的调节功能,用户可以修改多种参数,认证,测试,方便快捷。提供远程OTA升级,支持协议升级,协议扩充OTA升级,支持协议升级,协议扩充。

易冲WB8118

WB8118是一款高效、符合Qi标准的磁感应式无线电能发射器芯片,具有从3.3V到18V的输入电压范,支持与无线电能接收器(ASK)的安全通信,提供固定的通信接口端口,以及可靠的过压/过流/过温保护方案。


该器件包括电压调节器、全桥和驱动器、ASK解调器、FSK调制器、异物检测(FOD)、PWM模块,以及多通道12位ADC。

采用I²C接口与其他设备进行通信。WB8118采用无铅环保设计,封装为,24pitch。

展会预告

成都市易冲半导体有限公司参加充电头网主办的2024(春季)亚洲充电展,展位号位于B区B92,3月20-22日欢迎莅临展会现场交流、洽谈。

wpinno维普创新


深圳维普创新成立于2014年,总部设立于深圳。团队主要成员均来自世界各地的知名半导体设计企业,拥有多年的芯片设计行业工作经验。我们专注于提供给客户多种类别且具有高竞争力的IC芯片以及完整的电源、电控解決方案。自成立以来维普创新不断提升技术能力、坚持高质量和优质的客户服务,以提高产品价值为宗旨。经过多年的发展,维普创新的产品涵盖了:DC-DC功率转换、锂电池充电BMS、无线充电、快速充电协议、BLDC电机控制等电源和信号处理产品线。目前产品己广泛应用于消费性终端、手机、通信等产品领域。

随着国产芯片行业的快速发展,我们秉承坚持创新的经营理念,致力手为行业提供高性能、高品

质气高易用性的芯片。我们于2016年率先推出的快充芯片,在国内外厂商的竞争中完成了手机

内低压直充IC和配套充电器端的快充协议C的量产。并成功在中兴,金立等手机上突破国产电源

快充芯片使用。维普创新在2017年率先完成“国产芯”电源端可编程协议芯片的PD认证(TID:1000209)。随后在2018年又相继推出了一系列的无线充电发射和接收端芯片,并于同年推出适用于手机的第二代电荷泵技术快充IC。2019年维普创新继续再接再厉,推出了手机端的TRX无线充电芯片。2021年推出了一系列升降压,BMS等芯片系列。

经历多年的积累和沉淀,目前维普创新的1C产品己广泛应用在各个领域众多国内外知名品牌如Motorola,英国电信,美的,中兴,Philips等产品中。随着持续的技术聚焦和新产品拓展,维普创新的产品将会涉足更多需要电源电控的领域,我们将一如既往的追求技术突破,持续为业界客户提供高质量的产品和服务。

维普创新WP8036

WP8036是一款用于WPCQi2的无线充电主控,支持BPP,EPP和MPP应用。芯片内部集成ARMM0+CPU,集成64KFlash和4KRAM。WP8036支持快充取电,支持PD快充,QC和AFC快充。


WP8036内置过压保护,欠压保护,过流和过热保护,内置FOD检测功能,兼容主流的手机无线充电,支持定制LED显示,内置ASK解码功能,可有效提高充电效率、稳定性和可靠性,大大降低了产品的开发和制造成本。


WP8036具备高精度的电压和电流检测,支持I2C,UART和SPI通信,具备USB在线编程功能,支持单线圈和多线圈应用。

维普创新WP8037

维普创新WP8037是一款用于认证模组的无线充电芯片,该款芯片不仅集成了一颗具有64k闪存和16k静态RAM的32位ARMCortexM4高性能核心,还配备功能强大的无线充电相关外设,可谓是一款专为无线充电而生的控制器。它不仅支持MPP协议,还同时兼容BPP、EPP,还可拓展定制私有协议。


WP8037具有高达128MHz外设频率,轻松应对Qi2所要求的360K高频工作精度;同时集成了高分辨率全桥控制器和多通道ASK解调技术;丰富的协议接口可支持直流电源、USB-PD、HVDCP等多种常见电源应用场景。与此同时为用户预留多个IO接口,用于定制外设功能开发。

WP8037搭载多路、多种类解码电路,最多可支持双电压+双电流共4通道的解码功能,配合先进的解码算法,大大提升不同产品耦合带来的解码问题,确保充电稳定性。在安全保护功能上,WP8037拥有先进的Q值检测、系统耦合损耗等算法,应对Qi2极高的异物检测要求,同时具备过压、欠压、过流、过温等多重保护,保障充电安全。

WP8037不仅具备强大的内核资源,还具备I2C、SPI、UART多种外围通信方式,可作为主机或从机与其他系统进行通信,丰富了产品拓展性。


WP8037采用QFN-485mm×5mm封装,支持单线圈和多线圈无线充电发射器应用。同时充电头网了解到搭载这颗无线充电芯片的MPP模组已经通过了Qi2认证,实现了对iPhone系列产品的充电适配,为用户提供更便捷、高效的无线充电体验。

展会预告

深圳维普创新有限公司参加充电头网主办的2024(春季)亚洲充电展,展位号位于C区C24,3月20-22日欢迎莅临展会现场交流、洽谈。

充电头网总结

近几年来,随着各大品牌手机厂商陆续入局,无线充电技术逐渐被用户接受,并且在厂商的升级优化下,用户体验大幅提升,获得市场认可;此外智能穿戴产品和个人护理产品也逐渐导入无线充电功能,进一步拓展了市场。

本文汇总了众多2024年春季亚洲充电展的参展商所推出的无线充电发射芯片,这些芯片功率范围涵盖广泛,可以为下游客户提供一套完整的解决方案。

大会预告

2024(春季)亚洲充电展期间,3月21日(周四)将会举办2024亚洲无线充电大会,目前已经有多家知名企业确认出席并发表演讲。

最新文章