
图1SDC5429X/SDC5430/SDC5431外围电路连接此次推出第三代协议芯片中的明星产品SDC5429X(X:PDO功率区别),是业界少有的SOP8封装的标准/PPS协议芯片,集成控制环路和......

图1SDC5429X/SDC5430/SDC5431外围电路连接
此次推出第三代协议芯片中的明星产品SDC5429X(X:PDO功率区别),是业界少有的SOP8封装的标准/PPS协议芯片,集成控制环路和补偿参数,内置VBUS通路NMOS驱动和VBUS泄放电路。CC1/CC2DP/DM动态OVP保证了接入设备安全性,超低待机功耗匹配日益严苛的能效要求,完美适配USB-C或USB-A各种快充协议。

图2SDC5429PD/快充协议诱导
同系列的SDC5430增加PSEL电阻灵活设置PDO功能;SDC5431增加FB电流调压功能,更适合DC/DC应用。此次,光大芯业同时推出的SDC5413,延续了SDC5415、SDC5416的USBA协议产品系列,集成度更高的同时,也及时更新了各厂商的快充协议。

图3SDC5429X/SDC5430/SDC5431系列产品手册
光大芯业同时提供成熟、极高性价比的PD/快充充电器的功率方案。其中,SDC509X系列集成高压起动电路,内部CS采样,双绕组自供电,外围极简,同时具有动态恒功率功能,可以涵盖18W-30W的原边功率设计;SDC514X/516X/510X系列同步整流开关,集成MOSFET,具有极短的关断延时,可以适应DCM/QR/CCM工作模式。

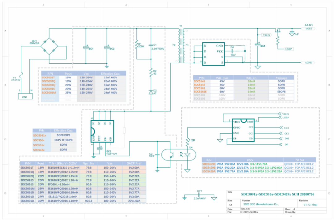
图4高性价比的的PD充电器方案设计
光大芯业推出的第三代协议芯片系列,集成度高、应用简单、协议兼容性强,可以帮助客户降低PCB设计难度,控制BOM成本,快速将电源产品推向市场。欢迎各厂商咨询产品相关信息,申请样品和DEMO。

图5PD20W参考设计