
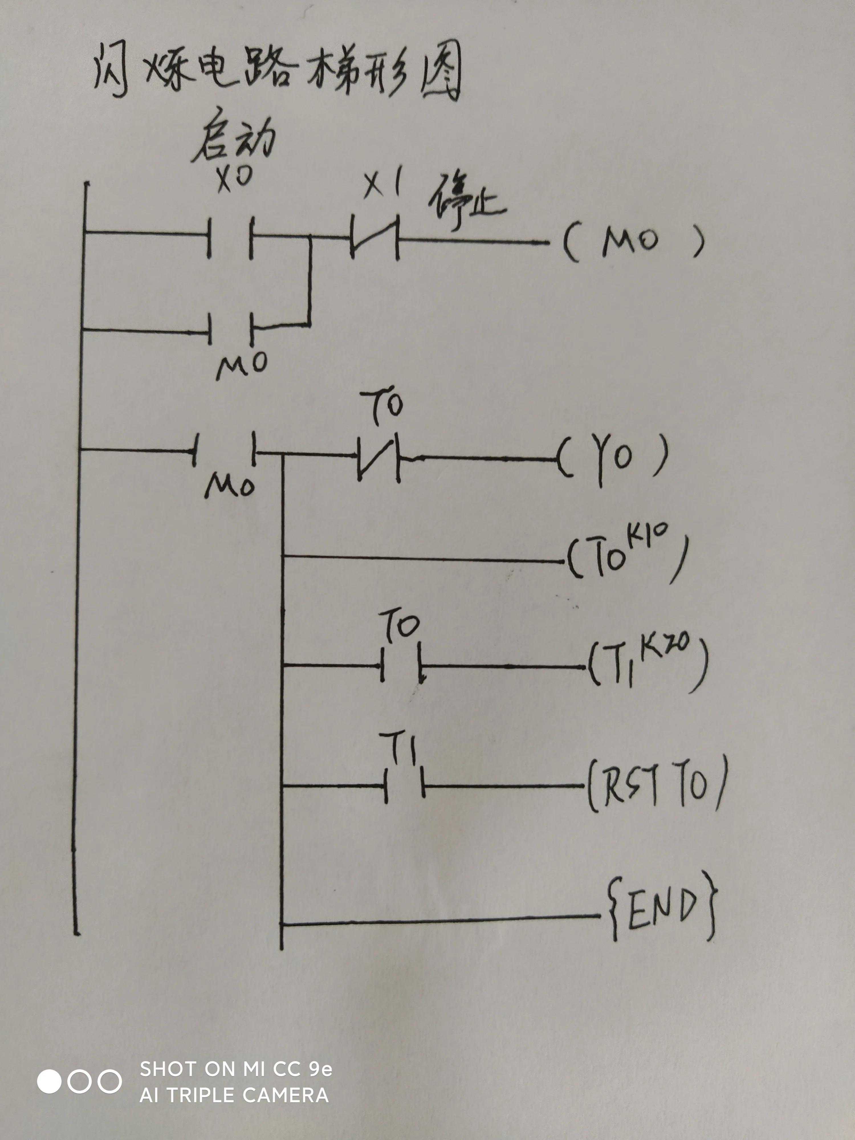
项目要求:利用三菱PLC做一个闪烁电路,启动按钮按下亮1秒后,灭掉2秒后在再亮1秒,一直循环亮和灭,按停止开关关掉循环。梯形图分析:1、按启动按钮X0,M0内部继电器得电自锁,M0自锁后Y0灯得电开始......
项目要求:
利用三菱PLC做一个闪烁电路,启动按钮按下亮1秒后,灭掉2秒后在再亮1秒,一直循环亮和灭,按停止开关关掉循环。

梯形图分析:
1、按启动按钮X0,M0内部继电器得电自锁,M0自锁后Y0灯得电开始点亮1秒
2、M0得电,T0得电计时1秒后,T0接通,T0计时器常闭断开,Y0灯灭掉。
3、M0接通T0接通的同时,1S后T1计时器得电,延时2秒后T1接通,
4、T1接通后复位T0,T0计时器常闭又得电,Y0停止2秒后又点亮,
5、T0计时器1秒后接通,又置位T1计时器,这样周而复始完成了项目要求,按下X1按钮,全部停止动作
以上