
一、引言变频器目前在大型石油化工企业中到了广泛的应用,但有时候运行并不十分理想,原因是由于电网质量不稳定,经常发生电压瞬间跌落随后又恢复正常的情况,这种情况下已导致了变频器停止运行,因而影响了生产,如......
一、引言
变频器目前在大型石油化工企业中到了广泛的应用,但有时候运行并不十分理想,原因是由于电网质量不稳定,经常发生电压瞬间跌落随后又恢复正常的情况,这种情况下已导致了变频器停止运行,因而影响了生产,如果停机发生在一些关键设备上,将会导致整个工厂的停产,造成重大经济损失。
解决该问题的关键就是如何使变频器在瞬时低电压时还能正常工作。本文结合变频器在工厂中的实际应用情况,采用选取低直流欠电压跳闸整定值的变频器、启用变频器欠压控制器、再起动功能、改变控制接线等方法,有效的解决了变频器在电压跌落时的停机问题,这是一个“零成本”的解决方案,对同类的企业具有很高的参考价值。
二、提高变频器抗低电压能力一般变频器的控制电源都采用开关电源,当电网电压跌落不大时,开关电源的调节深度增加,但能使控制系统正常工作,功率器件可靠关断;当跌落比较严重时,一方面,从功率器件的特性可知,当工作电流增加或工作温度升高时,门极驱动功率要增加;另一方面,开关电源无法起振,控制电源的输出停止或输出功率下降。可能导致控制系统紊乱,功率器件关不断,造成变频器损害。为了保证变频器的可靠运行,变频器都设置有欠电压保护。
2.1选择抗低电压能力强的变频器
变频器低电压是通过检测变频器直流母线的电压来实现的,任何一台变频器,在电源出现低电压时,变频器的操作面板都会出现从正常——低电压报警——黑屏的过程,其中黑屏是当直流母线的电压低至不能维持变频器控制电路电压值时,将不能显示,低电压报警在相同的惯性负荷情况,不同型号的变频器其设定值是不同的,其抗低电压的能力也是各不相同。
2004年5月28日及30日,镇海炼化连续两次发生因架空线路遭雷击造成的大面积停电事故,两次事故停电范围之大、停工装置之多、对公司正常生产影响之大都是建厂以来罕见的。在这两次事故中,加氢裂化、II气分、原料罐区等炼油装置的部分变频器低电压动作跳车,而化工部合成氨装置的大部分变频器均未因低电压跳车,是什么原因造成如此大的差别呢?
调查发现,炼油装置的变频器大部分选用的富士G11/P11型变频器,化工部全部选用了ABB公司的ACS600/800系列变频器,富士G11S/P11变频器当出现SLU欠电压时,电源电压降低等使主电路直流电压低至欠电压检出值以下时,保护功能动作,欠电压整定值为400VDC。
而ABB公司ACS800系列变频器其直流欠电压跳闸整定值为0.65×U1min,其中U1min是主电源电压取值范围的最小值。对于400V和500V单元,U1min是380V。对应主电源电压跳闸极限的中间电路实际电压为直流334V。通过比较可以看出,不同型号的变频器其低电压设定值是不一样的,其抗低电压的能力也是不同的。
2.2启用欠压控制器功能
上文中讲到,化工部的大部分变频器在5.28、5.30的系统低电压时没有跳机,但也有个别同型号的变频器在当时发生了跳机,通过调看变频器所有的参数,发现除了第20.06UNDERVOLTAGECTRL组参数设置是不同外,其余参数都是相同,当该参数设置“YES”的,其变频器在5.28、5.30的系统低电压时都没有跳机,当设成“NO”时,发生了跳车停机,查看变频器的相关说明书,该参数代表低电压时激活或解除中间直流母线的欠压控制。
设置“YES”时如果直流电压由于输入电源切断而降低,欠电压控制器会自动减小电机转速以保持电压在最低极限值之上。通过减小电机转速,负载的惯性将电流回馈到ACS800,保持直流母线带电,并防止欠压跳闸一直到电机惯性停止。在大惯性负载系统中,如离心机或风扇,它的功能相当于一个临时电源(在电源中断的情况下,由临时电源继续为系统供电)。
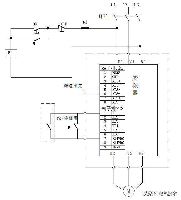
为了验证低电压控制器参数对变频器抗低电压的影响,用100KVA变频器带一台75KW电机带负荷试验。试验时变频器输出71A,19%Pn功率,电机转速为2520rpm,变频器接线图如图1所示:

图1变频器控制接线图
实验数据如表1。

表120.06参数设置试验结果
实验充分表明了启用低电压控制器能有效地延长出现变频器低电压报警的时间,镇海炼化在此之后,对所有的ACS系列变频的20.06UNDERVOLTAGECTRL全部设置成“YES”,在2006年2月9日、4月22日及以后的多次类似系统低电压时,都成功的避免了变频器低电压停车。
2.3启用变频器的再起动功能
石化企业中对于重要的低压电动机都配置有失电再起动功能,来减少或避免生产的中断,以保证生产的正常进行。对于原采用专用再起动继电器(代号79)来实现再起动功能的回路,在变频改造后是否仍能通过再起动继电器来实现变频再起动功能呢?
虽现在新型大部分变频器都有再起动功能,如ABB公司的ACS系列变频器按其使用说明书的介绍,具有失电再起动功能,并且有一组专门的参数设置可调整它的使用,但在什么样的主电源和外部起动信号给定条件下具备该功能,说明书上没有明确说明。
为了让变频器达到失电再起动的要求,通过一系列的验证试验,随着试验的进展而不断深入,最终发现了变频器失电再起动对外部接线有特殊的要求。
同样以上述的电机和外部接线进行试验,试验数据如表2。

表2启用变频器的再起动功能试验情况记录
结果分析
(1)实验序号2、3、5、6表明,如果在失电过程中一直保持变频器的起动信号,此时表中参数无论如何设置,变频器都能做到再起动成功。实际情况是,失电后电机速度按自然降低,转速下降很慢,来电后变频器按外部控制要求起动并能跟踪此时电机的实际转速而输出相应的频率,这样电机的起动时间较短和起动冲击较小。
(2)通过实验序号1与4的比较,发现在失电过程中给变频器的起动信号也同时断开的话,其出现低电压的时间比变频器起动信号一直闭合要短的多,因为此时变频器是按停机信号进行正常停机。
(3)如果起动信号在失电的同时也断开,一来电再闭合的话,变频器也能再起动成功,这时相当于变频器重新开机一次,只要失电时间很短,变频器就不需上电自检的时间。
(4)如果起动信号在失电时断开,来电时又不能闭合,说明变频器外部控制的本身无起动要求,结果则变频器停止不再起动,自然与重起的参数设置无关。
其中第(3)条是基于在变频器尚未出现低电压报警前,电源恢复的同时变频器的起动信号闭合,变频器能实现再起动。经过反复实验表明,当变频器出现低电压报警后,电源恢复的同时变频器起动信号也同时闭合,变频器仍开不起来,变频器内部程序不接受低电压报警期间的外部控制信号,此时的起动控制需要先断开原起动信号,再重新闭合一次,变频器才会完成起动。
因此要实现有起动控制信号开闭情况下的变频器重起成功,则在时间配合上要求变频器的起动信号在变频器低电压故障出现前断开,但是变频器低电压出现的时间与负载性质及负荷情况有关,也就是说是不可控的。
因此对变频器最好的控制方式是在再起动时间内,给变频器的起动信号不受失电影响一直保持接通,这样就要求需带两付输出接点用于变频器的再起动,一副接点使得给变频器的起动信号(图中的M)在来电后能够闭合,另外一付延时断开接点并在给变频器的起动信号接点上,这样系统瞬间失电时能保证给变频器的起动信号不断开,如图中虚线框内并接的接点。
当然,也可以采用以下方法来实现变频器的再起动:(1)变频器的起动信号来自DCS;(2)变频器起动信号的控制电源取直流电源,但出发点是相同的,即变频器的起动信号不受变频器主电源失电的影响。
三、系统接地对高压变频器的影响石化企业中,经常会遇到系统瞬间接地情况,那么系统接地对变频器的正常会产生如何影响呢?
镇海炼化尿素装置的高压氨泵(9103-JM),于2000年采用了ABB公司的ACS1000高压变频器,取代了原来的液力变矩器,是当时国内第一台投用的ACS1000系列变频器。2002年4月18日凌晨4:22分左右,9103-JM变频器故障停机,显示为“supphaselos”—电源缺相或电压不平衡。
了解系统情况,宁西变发生故障,B相有接地,石化变110KV侧电压约下降8.6KV(从记录纸上得出),6KV侧电压约下降400V,系统无任何报警,所有高、低压电机运行正常(包括所有ACS600所带的低压变频电机)。
检查变频器整流侧的元器件未损坏,参数设置合理,停机后开车正常,初步分析认为此次跳车由外系统电压波动引起的可能性较大。同年11月28日6:27,9103-JM变频器同样故障停机,检查厂内系统电压,从走纸墨水式记录仪看,石化变的110KV侧电压无变化,中控6KV发电机记录纸上有毛刺,有近百伏的下降,了解系统电压,电调告知湾塘变一条至慈溪的110KV线路B相有瞬间接地。
两起类似的这么小的电网故障扰动,就会引起变频器跳闸,肯定与变频器的内部设置有关,再次检查用户可设定的参数,设定正常,12月20日ABB厂家来人,在听取我们关于故障的现象和分析后,经用户要求,进入变频器初级参数,对145.10功能项(DCRIPPLETRIPDELAY)由原来的0.296S调整为0.992S,调整后运行至今未发生一起因外电网瞬间接地而引起的停机事件。
通过这个例子,说明变频器除了用户可设定的参数组外,还有几组是变频器出厂的初级参数,需要有特殊的口令才能进入,变频器的正常使用中一般不会涉及初级参数。但由于国外电网相对比较稳定,进口的变频器出于保护自身设备角度,其出厂设置中个别参数涉及对电源要求,这是国内用户在技术交流中需注意向生产厂家沟通的。
四、结束语前面已经提到变频器低电压主要是指中间直流回路的低电压,因此提高变频器的抗低电压能力也就是维持中间直流回路的电压。
针对该问题,国内有关供货商提出了下面三种解决方案:1)直流环节大容量电容的方案;2)双整流电源的方案;3)直流环节配置蓄电池的方案。
上述三种方案都已通过了仿真试验,其中直流环节配置蓄电池的方案已在钢铁厂实际应用,取得了良好的使用效果。这些方法在适当的时候可以在本厂中实施,以期解决本文提出的方法无法解决的停机问题。
(摘编自《电气技术》,原文标题为“变频器抗电源波动的对策”,作者为郑勇。)